Merci à tous pour la richesse de ce forum!
J'ai aussi un projet de construction. J'ai un a priori négatif sur l'ITE qui serait: "c'est pas solide, ça fait merdique". Même si je fais tout à fait confiance à heraklès & co pour la qualité d'isolation et d'inertie (je veux faire construire dans le gard).
C'est pourquoi je suis très interessé par les blocs RTH (parpaing de 15 coté intérieur, isolant de 7.5 ou 10, puis parpaing de 8 coté extérieur). Ils me laissent le coté « en dur » à l’extérieur, et ça me rassure ! En plus du coup on peut y mettre des volets classiques (2 battants), et ça me dit aussi vu qu’apparemment les coffres de volets roulants font souvent un pont thermique. Un inconvénient est le R un peu faible (il doit être à 3 pour la version isolant de 10). Mais je viens d’avoir un commercial de l’entreprise qui fabrique ce bloc au téléphone, et il m’a dit qu’ils avaient en ce moment à l’étude un bloc toujours avec 10 cm d’isolant, mais de meilleure qualité, ce qui lui donnerait un R de 5. Ca devrait être disponible début 2011. Y aurait il quelqu’un qui aurait déjà mis en œuvre du RTH ? Tu en as déjà fait mettre Héraklès ?
Sinon j’avais regardé aussi le Bisotherm, mais vu que vers nimes il fait chaud, j’ai un peu peur de la faible inertie. Qu’en penses tu did67 (apparemment ta maison est en bisotherm, non ?) ?
Pour ce qui est des thermiblocs, sait on si la couche intérieure de bois-ciment ne bride pas trop l’inertie du béton coulé à l’intérieur ?
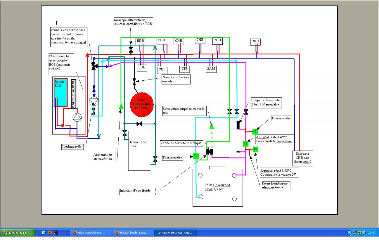
Dernière question : pulligny et SK69202 vous avaient des poeles bouilleurs ? Sont-ils reliés à un cumulus électrique ? Le circuit n’est il pas trop compliqué à réaliser ? (je pense aux discussions entre Héraklès et Alligator sur un autre fil à propos des tunnels et circuits d’air : je n’y comprenais rien du tout et ça m’a un peu effrayé)
Merci à vous et bonne journée
-----






).
afin de voir la différence.
.