
schéma hydraulique avec l'orifice à débit constant représenté sinon ca ne veut rien dire un schéma incomplet.
le mot shunte en hydraulique j'ai un peu de mal...
schéma hydraulique avec l'orifice à débit constant représenté sinon ca ne veut rien dire un schéma incomplet. : je sais pas faire, je me suis contenté de récupérer les éléments du schéma de lantenay01.
le mot shunte en hydraulique j'ai un peu de mal... : la vanne isole le ballon ?, la vanne dévie le ballon ?
En complément de "à commander par thermostat", peut-être rajouter un thermostat différentiel pour éviter une situation de refroidissement ballon pour X raison
Dernière modification par popop ; 14/07/2025 à 14h40.
où est sur votre schéma l'orifice à débit constant :
https://www.pompes-direct.com/modele...iton/4103.html
J'ai pas ça dans mon installation initiale, donc j'ai pas prévu. Quel serait le gain à rajouter dans mon installation ?
Ton lien est une vanne mélangeuse, ce n'est pas le cas chez moi, c'est une vanne de dérivation ou vanne de zone
Dernière modification par popop ; 14/07/2025 à 15h06.
pour précision, j'ai pas d'étage et les radiateurs sont tous à équidistance et même hauteur que la chaudière
allez y expliquez ce que c'est une vanne de dérivation ou de zone faites un croquis expliquant le fonctionnement de cette vanne
vanne d'inversion.png
dans mon cas AB se trouve côté radiateurs, A vers ECS, B vers retour direct chaudière. La vanne envoie soit vers A soit vers B, aussi appelée vanne d'inversion.
test ecs.png
Dernière modification par popop ; 14/07/2025 à 20h18.
Schéma modifié avec clapet antiretour et thermostats de commande vanne d'inversion.![]()
Bonjour,
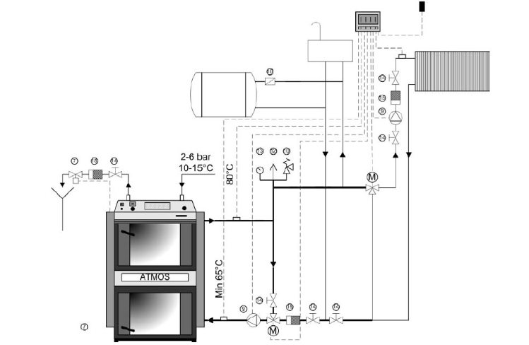
voici le schéma final si ça intéresse quelqu'un :
Lorsqu'il y a demande de chauffage, la chaudière démarre et arrive à 70°, à ce moment le laddomat21 fait circuler et remonte la température de retour pour éviter la condensation.
La vanne 3 voies envoie vers le ballon ECS si et seulement si l'eau est sous la consigne du thermostat ET si la température de retour est supérieure de 7° à la température dans le ballon.
Sinon elle by-pass le ballon ECS pour retour direct vers la chaudière.
La résistance électrique est commandée par un programmateur horaire qui ferme le circuit à 01h00 du mat et ouvre à 6h00 du mat (en heures creuses), pour avoir de l'eau chaude même si la chaudière ne tourne pas. Sachant que le routeur solaire chauffe l'eau aussi en journée, l'autre résistance n'est pas représentée.
bonjour la 1ere phrase est déjà une anomalie, on démarre une seule fois en octobre et on stoppe en avril...Bonjour,
voici le schéma final si ça intéresse quelqu'un :
Lorsqu'il y a demande de chauffage, la chaudière démarre et arrive à 70°, à ce moment le laddomat21 fait circuler et remonte la température de retour pour éviter la condensation.
La vanne 3 voies envoie vers le ballon ECS si et seulement si l'eau est sous la consigne du thermostat ET si la température de retour est supérieure de 7° à la température dans le ballon.
Sinon elle by-pass le ballon ECS pour retour direct vers la chaudière.
La résistance électrique est commandée par un programmateur horaire qui ferme le circuit à 01h00 du mat et ouvre à 6h00 du mat (en heures creuses), pour avoir de l'eau chaude même si la chaudière ne tourne pas. Sachant que le routeur solaire chauffe l'eau aussi en journée, l'autre résistance n'est pas représentée.
Ok,
je démarre la chaudière en octobre et l'éteindrais en avril : anomalie corrigée.
la chaudière repart à 100% de puissance pour atteindre 70° et démarrer le laddomat21.
Dernière modification par popop ; 19/07/2025 à 15h34.
et non du tout ... ca ne va pas faut revoir la copie !
thermostat d'ambiance demande du chaud que fait 'on ? on va couper du bois ?
on se fait une soupe chaude ?
comment permettre aux radiateurs de chauffer la baraque ?
C'est une maison avec pas beauoup de demande, et la partie "vie" est chauffée par le poêle, y compris l'étage.
Les radiateurs chauffent la partie "nuit" essentiellement (2 chambre, dégagement et salle de bain) pour qu'on ne se lève pas à 16°.
Il n'y a pas besoin de chauffer tout de suite, un décalage d'1h00 entre la demande et la chauffe des pièces n'est pas génant, le seul objectif c'est un minimum la nuit et le soir.
ce n'est pas la réponse à la question la chaudière reste toujours chaude comment permettre alors de chauffer si une demande de chauffage est faite par le thermostat ?C'est une maison avec pas beauoup de demande, et la partie "vie" est chauffée par le poêle, y compris l'étage.
Les radiateurs chauffent la partie "nuit" essentiellement (2 chambre, dégagement et salle de bain) pour qu'on ne se lève pas à 16°.
Il n'y a pas besoin de chauffer tout de suite, un décalage d'1h00 entre la demande et la chauffe des pièces n'est pas génant, le seul objectif c'est un minimum la nuit et le soir.
Désolé je ne comprends pas la question.
La chaudière va redémarrer pleine puissance à chaque demande du thermostat d'ambiance, soit environ 2 à 3x par jour. Le laddomat21 va démarrer quand la chaudière va arriver à 70° pour chauffer les radiateurs.
Lorsque le thermostat d'ambiance va arriver à la consigne, il va couper la chaudière qui va repasser en maintien ou veille.
Il manque peut-être un thermocontact sur mon schéma ?
ce n'est pas contradictoire ?Désolé je ne comprends pas la question.
La chaudière va redémarrer pleine puissance à chaque demande du thermostat d'ambiance, soit environ 2 à 3x par jour. Le laddomat21 va démarrer quand la chaudière va arriver à 70° pour chauffer les radiateurs.
Lorsque le thermostat d'ambiance va arriver à la consigne, il va couper la chaudière qui va repasser en maintien ou veille.
Il manque peut-être un thermocontact sur mon schéma ?
Je démarre la chaudière en passant de OFF à ATTENTE, techniquement en OFF elle est éteinte et froide, en ATTENTE elle peut aussi être froide s'il y a une longue période sans demande de chauffage, mais dès qu'il y a demande elle passe en COMBUSTION
edit trop tard :
les questions initiales en suspens sont les suivantes
*la perte de charge liée au rallongement du retour radiateurs via les serpentins du ballon ECS est elle significative ? (tous les radiateurs sont au même niveau que le ballon et que la chaudière.
*le laddomat 21 peut il servir de circulateur de chauffage en bloquant l'auto-circulation
Dernière modification par popop ; 19/07/2025 à 18h51.
il y a du boulot pour que ca rentre...
"Ce que l'on conçoit bien s'énonce clairement, Et les mots pour le dire arrivent aisément" donc ça rentrera quand j'aurai obtenu des réponses claires et précises, pour l'instant j'ai des questions à mes questions, des réponses à côté des questions posées et des conseils définitifs décorrélés de ma situation particulière.
OK je fais n'importe quoi mais tel est mon bon plaisir ! j'ai le temps pour ça
Mais ça répond pas aux 2 questions en suspend,
*la perte de charge liée au rallongement du retour radiateurs via les serpentins du ballon ECS est elle significative ? (tous les radiateurs sont au même niveau que le ballon et que la chaudière.
*le laddomat 21 peut il servir de circulateur de chauffage en bloquant l'auto-circulation ?
Dernière modification par popop ; 19/07/2025 à 19h38.
Bonjour
peut etre que vous trouverez dans ces liens quelque informations sur le fonctionnement et la mise en œuvre du systeme de réhausse de la température de retour Laddomat
meme sans ballon tampon
a mon avis le Laddomat ne peut pas servir de circulateur tel que représenté sur le schéma
il faut un circulateur indépandant
https://www.eneove.com/mpattachment/...ownload/id/97/
https://atmos-chaudiere.fr/installat...category&id=20
https://www.atmos.eu/fr/accessoires/...duct-gallery-8
salutations
Elece
Merci pour les liens elece, je vais me pencher dessus pour voir ce que je peux en tirer
La doc du Laddomat21 le précise bien : "Si l’on souhaite fermer l’autocirculation complètement, il est
nécessaire de verrouiller le clapet anti-retour." ça je peux le faire sans problème.
Ce qui me gêne en l'état c'est la raison pour laquelle le Laddomat21 ne pourrait pas servir de circulateur de chauffage, le circulateur intégré est basique à 3 vitesses dont les puissances en W correspondent à celles de mon circulateur de chauffage actuel, mais je ne sais dire s'il y a une différence de forme et de volume intérieur, à moins de démonter pour voir la volute
Je ne sais pas intérpréter la courbe de la doc et encore moins dire si ça va suffire pour mes radiateurs + circuit ECS
![]()
Dernière modification par popop ; 19/07/2025 à 20h14.
Déjà pas mal de dégrossi dans la doc chez Atmos qui accepte aussi un fonctionnement sans ballon tampon (même s'ils le recommandent), encore merci elece :
"Les chaudières doivent toujours être installées avec un Laddomat 22 ou une vanne trois voies thermostatique, avec un circulateur, des vannes de sectionnement et un clapet anti-retour afin que l'eau de retour à la chaudière ne descende jamais en dessous de 65 ° C - selon la norme CSN 070240/93 (La quantité de condensat, de goudron et d'acides baissent avec l'augmentation de la température qui revient à la chaudière = ce qui augmente leur durée de vie. Le Laddomat 22 est recommandé° pour les chaudières de 15 à 100 kW.
Si la chaudière est installée sans ballon tampon, il faut installer deux thermostats réglés à 70 à 80 ° C pour que la pompe dans le circuit chauffage ne démarre que quand la chaudière et chaude et que le Laddomat tourne ceci afin d'éviter des retours froids sur la chaudière.
Quelque soit le mode de fonctionnement, la température de la chaudière doit être entre 80-90 ° C."
Ils préconisent un retour à 65° pour un fonctionnement à 80°/90°, ça me donne une base pour la cartouche à mettre dans mon Laddomat21. J'ai vu ailleurs que le retour chaudière ne doit pas être en dessous de 50°, allez au pif si je fais fonctionner ma chaudière à 75° je mets une cartouche à 60° pour le retour : à affiner si je trouve des courbes de condensation.
Dernière modification par popop ; 19/07/2025 à 20h59.
ça ressemble grandement à ça ce que je veux faire, circulateur de chauffage en moins chez moi.
![]()
edit : ça ressemble grandement à ça ce que je veux faire, circulateur de chauffage en moins chez moi et 2 circuits séparés pour Atmos, éventualité prise en compte dans l'un de mes 1ers schémas.
Bonjour,
chose promise chose dûe avec quelques ajustements au final, y compris niveau chalumeau, j'en ai pas trouvé dans les délais imparti, j'ai donc fait faire la partie cuivre par un quidam bien intentionné mais pas forcément hyper doué et qui n'a pas osé me le dire...j'ai donc dû finir en multicouche.Envoyé par Lantenay01
Discussion inutile, en effet, au boulot, et on en reparles au mois d'octobre.
Notre questeur semble maitriser son sujet mieux que nous, toujours est t'il qu'il est plus souvent sur son clavier que chalumeau en main.
Revenez avec de (bons) résultats, j'ai bien apprendre
J'ai trouvé encore plus simple que ce que j'avais imaginé dans cette discussion, et sans rien changer à la régulation existante.
Au final j'ai donc supprimé le ballon tampon et j'utilise désormais uniquement le ballon ECS pour chauffer mes radiateurs via le serpentin du haut (j'ai pas besoin d'une grosse puissance de chauffe), c'est mon thermostant d'ambiance qui commande le circulateur de chauffage et la chaudière, celle-ci ne démarre que si le bas du ballon est inférieur à la température de consigne (j'ai un thermostat réglable en bas du ballon).
Quant au Laddomat 21, je lui ai bloqué le clapet d'autorcirculation qui ne sert plus à rien en lui coupant un bout de la tige, l'inconvénient c'est que c'est pas réversible mais pas besoin d'acheter l'étrier spécial en Allemagne qui coûte 40€...
Le laddomat 21 ne démarre que quand la chaudière est à 60°.
![]()
Dernière modification par popop ; 29/09/2025 à 19h12.
