Bonjour,
futur2.png
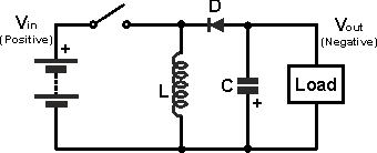
Voici un hacheur abaisseur BUCK j'ai tout compris au fonctionnement du circuit. Le souci est quand on parle des courbeset
j'arrive pas à comprendre pourquoi on dit que la caractéristique de K1 est celle d'un transistor (amorçage et blocage commandé) alors que celle de K2 est celle d'une diode (amorçage et blocage naturel) ?!
Pourtant les courbes sont semblables...
futu.jpg
Merci d'avance.
-----


et

