bonjour,
pour faire "l'habillage" de mon camion, je voudrais partir sur des lames de contreplaqué posées horizontalement, disjointes de 1cm environ (pour y mettre des accroches en T amovibles (on rentre le T en horizontal puis on tourne à 90⁰ pour mettre à la verticale)) le T tire donc un peu sur la lame du haut et un peu sur la lame du bas la partie médiane est filetée et sur la partie visible une rondelle+écrou vient caller le caisson)
forcément, la question c'est combien d'espacement je peux me permettre entre les 'solives' (lames de contre plaqué verticales sur lesquelles sont fixées les lames horizontales par vissage) et quelle épaisseur de CP....
j'ai bien trouvé cela https://www.machot-bois.com/wp-conte...laqu%C3%A9.pdf au niveau plancher.... mais les charges sont en DaN/m², ce que je ne comprends pas.... déjà parce que la résistance devrait être fonction de la distance avec la solive (intuitivement, si je place un T de fixation contre la solive, j'aurais plus de résistance à l'arrachement que si je le met à mi distance)
sinon j'ai aussi trouvé cela https://www.vm-materiaux.fr/fr_FR/aj...4220_FTECH.pdf mais là aussi c'est des N/mm² du coup je ne sais pas comment utiliser l'info
idéalement un point d'ancrage devrait pouvoir supporter une charge de 90kg (pris au pifomètre, je me dis que cela devrait suffire pour un caisson suspendu maintenu par 4 points avec une vingtaine de kg dedans lors d'une descente de dos d'âne un peu sèche, 360kg de tenue pour 20kg de charge, cela me semble une marge de sécurité suffisante(?))
on va supposer
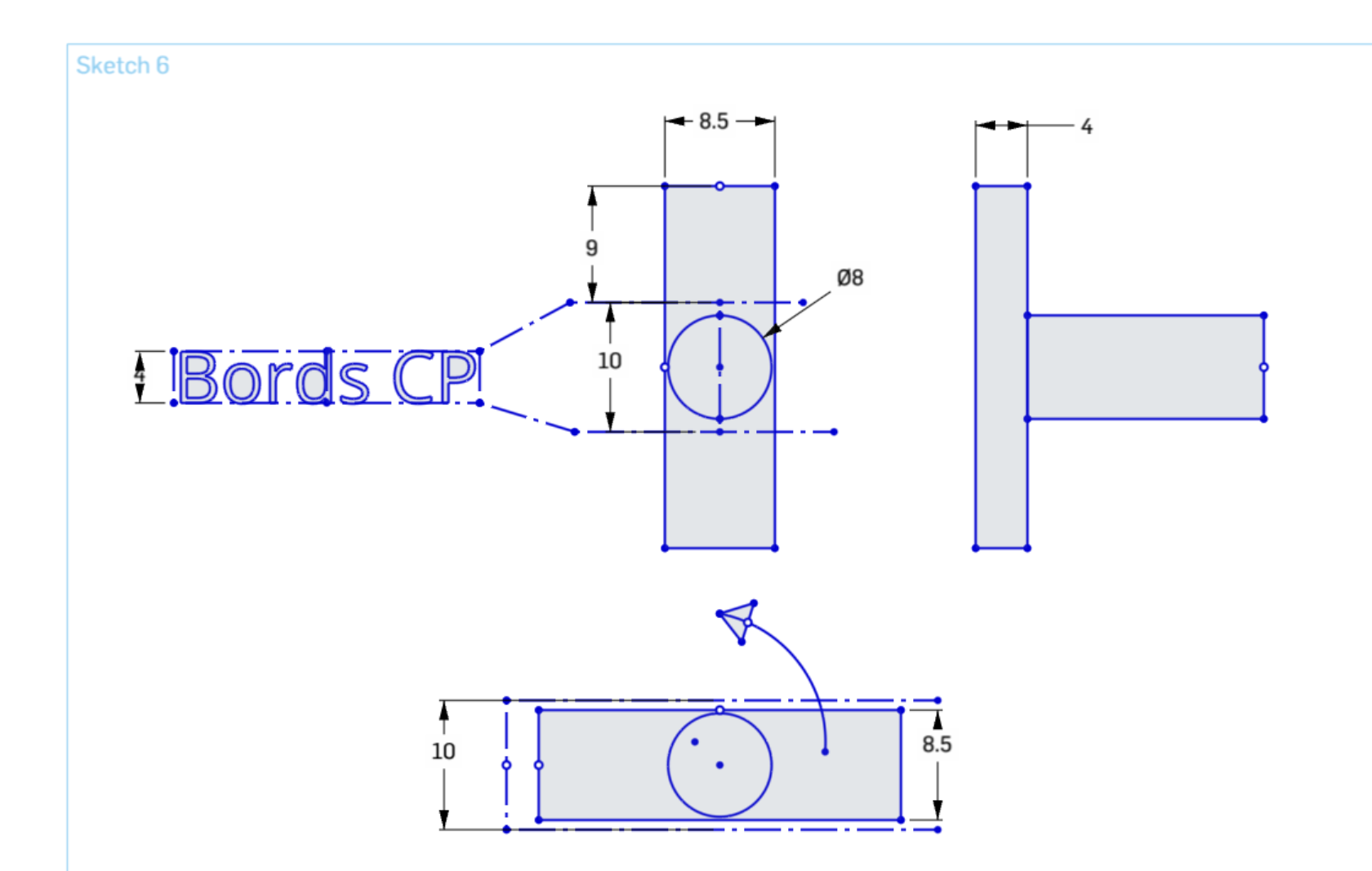
que l'ancrage est en forme de T en acier ou alu avec la barre horizontale de 3mm à 5mm d'épaisseur sur 9mm de largeur et 100 de longueur et la barre verticale une tige fileté M8, cela ferait une surface de contact de (100-10)*9=810 mm²
que les lames de CP horizontales font 7cm de largeur
en gros ce que je cherche à savoir ce serait la charge admissible par un point d'ancrage en fonction de la distance avec la solive pour différentes épaisseur de CP bouleau (et si possible comment on peut le calculer)
et si la charge par point de 90kg est réaliste ou pas....
en vous remerciant, je ne suis pas du tout dans la resistance des matériaux et bon j'ai bien lu https://fr.wikipedia.org/wiki/Limite...lasticit%C3%A9 et 10 kgf/mm2 to pascal = 98066500 pascal = 98Mpa => 90kg nécessiterait 8825Mpa de Re si la charge s'appliquait sur 1mm² ? donc si elle s'applique sur 810mm² on aurait besoin de 10,89Mpa de Re pour tenir la charge, c'est cela?
-----



