merci pour ton auto racar
je dois impérativement dessouder ce mosfet ou je peux effectuer les tests mosfet en place ?
-----

merci pour ton auto racar
je dois impérativement dessouder ce mosfet ou je peux effectuer les tests mosfet en place ?
méthode !
on va être bientôt à 100 messages je n'ai toujours pas la réponse sur le test de toutes les diodes !!!
test diodes en mode test de jonction dans les deux sens.
test ok diode ok
test NOK on passe en ohmètre dans les deux sens, pour lever une ambiguité lorsque la diode est en // d'un autre composant.
la mesure de la tension de l'alimentation du CI à 6 pattes est OK.
mesurer 3 tensions VDC le FB Vsense et la tension du pilotage du mosfet la broche gate la N°6 du CI.
mesurer en même temps de la mesure de la tension la fréquence du signal du FB Vsense broche n°4 et du GATE (on appuie sur la touche jaune du fluke).
y a t'il une fréquence sur ces 3 signaux ?
pour cela on se débrouille pour souder un bout de fil sur le GND avec un bloc de jonction on serre la touche noire du multimètre ainsi on a plus qu'à se déplacer avec une seule touche la rouge et on fait des mesures sous tension.
principalement on teste sans dessouder, 1% restant on dessoude pour confirmer une éventuelle hypothèse.
on mesure toujours sous tension ...
Bonjour Racar
désolé pour mon retour tardif , je teste ce soir TOUTES les diodes , carte hors tension.
une diode mise en // d'une résistance (comme D4) doit être testée différemment ?
reprenons méthodiquement ; )
Bjr,
à mon avis, pas pour le test des diodes !
Ceci étant, peux tu confirmer que pendant les tests rien n'est connecté en sortie (sur le connecteur 11 points J4) ?
Une possibilité de défaut pourrait être le régulateur 5V en CC (il a un radiateur et est noté U5 - probablement un 7805). Il est alimenté par l'alim principale 12V via une résistance. Soulever cette résistance permettrait de l'isoler, et à ce moment voir si le 12V est présent.
cdlt,
JY
M'enfin ?!
on mesure sous tension et on teste un composant avec un testeur hors tension.
on mesure une tension un courant une fréquence etc...
on teste c'est l'appareil qui injecte le ou les signaux de tests, testeur de diodes de transistors de condensateur, pour cela il faut parfois avoir le composant sorti de la carte (condensateur transistor)
on peut bien entendu mesurer une diode c'est donc sous tension !
Dernière modification par racard ; 22/12/2025 à 16h25.
si quelqu'un a le décodeur....on mesure sous tension et on teste un composant avec un testeur hors tension.
on mesure une tension un courant une fréquence etc...
on teste c'est l'appareil qui injecte le ou les signaux de tests, testeur de diodes de transistors de condensateur, pour cela il faut parfois avoir le composant sorti de la carte (condensateur transistor)
on peut bien entendu mesurer une diode c'est donc sous tension !
Merci
M'enfin ?!
Bjr,
à mon avis, pas pour le test des diodes !
Ceci étant, peux tu confirmer que pendant les tests rien n'est connecté en sortie (sur le connecteur 11 points J4) ?
Une possibilité de défaut pourrait être le régulateur 5V en CC (il a un radiateur et est noté U5 - probablement un 7805). Il est alimenté par l'alim principale 12V via une résistance. Soulever cette résistance permettrait de l'isoler, et à ce moment voir si le 12V est présent.
Pièce jointe 515020
cdlt,
JY
Bonjour
Je te confirme que l'ors des tests rien n'est connecté sous le connecteurs 11 points (les sorties DC).
je n'ai pas eu une minute à moi hier , donc ce matin je dessoude une patte de cette résistance , je teste toutes les diodes.
Concernant ce régulateur 'tripattes" U5 comment le tester une fois la résistance dessoudée pour trouver le 12v? (il n'y a pas de Référence 7805 écrite dessus mais je vais chercher la datasheet)
@toute
Sinon
est ce que je peux essayer de tester ce régulateur sous tension avant de dessouder cette résistance ?
@+
Bjr,
ce régulateur n'a que 3 pattes.
Entrée 12V au travers de la résistance ,
masse, et sortie 5V.
Comme il n'y a pas de 12V, même sous tension, il n'y aura rien en sortie.
Ce que je veux simplement vérifier, c'est qu'il n'est pas en court-circuit, ce qui pourrait empêcher l'alim de démarrer.
Soulever la résistance l'isole du reste de l'alim, mais permettrait au 12V d'être présent si c'est lui le coupable.
le 12V doit être là:
cdlt,
JY
M'enfin ?!
Salut
carte sous tension 230v , résistance levée d'une patte , j'ai pris la tension DC aux points indiqués, c'est à dire sur les pattes d'un condensateur , et rien du tout...
J'ai commencé à vérifier les diodes mais certaines sont en // avec des résistances et d'autres composants( une est en // avec une sorte de relais) et me donne des valeurs bizarres.(comme D4 par exemple)
re
j'ai pris les tensions aux bornes de D2 et D4 , résultat:
lorsque la carte est sous tension 230v , je trouve 11.6v / -11.6v sur D2 et Ov sec dans les 2 sens sur D4
Sur D6 idem , 0v sec dans les 2 sens
lorsque la carte est hors tension , j'ai les valeurs suivantes dur les diodes :
en mode multimètre "diode"
D6: 0.49v dans un sens , et 0,52 v dans l'autre / 395 ohms de mesurés dans les 2 sens de polarité .
D2:0.59v dans un sens et OL dans l'autre
D4: 0.018v dans les deux sens (surement du à la résistance en //) 10ohms de trouvés
ps : je peux ressouder la résistance que tu m'as fait dessouder ?
Dernière modification par spiderfab ; 23/12/2025 à 20h33.
OK.
pour continuer à voir si il n'y a pas quelque chose qui court-circuite le +12, peux-tu soulever aussi le strap JJ9 (il est à côté de la résistance déjà soulevée)
puis reprendre la tension aux mêmes points, 230V on ?
laisser la résistance enl'air
JY
Dernière modification par annjy ; 23/12/2025 à 20h51.
M'enfin ?!
faut se grouiller demain c'est noel si la machine est en panne ce sera des pizzas !mesurer 4 tensions avec le fluke du CI 6853 à 6 broches :
- VDD
- le FB
- Vsense
- et la tension du pilotage du mosfet la broche gate la N°6 du CI.
mesurer en même temps lors de la mesure de la tension la fréquence de ces signaux (on appuie sur la touche jaune du fluke).
y a t'il une fréquence sur ces 4 signaux ?
pour cela idéalement on se débrouille pour souder un bout de fil sur le GND avec un bloc de jonction on serre la touche noire du multimètre ainsi on a plus qu'à se déplacer avec une seule touche la rouge et on fait des mesures sous tension.
on mesure toujours sous tension ...
Bonsoir racard
effectivement , c'est trèèèèèès mal engagé pour demain ; )
je teste chaque hypothèse , mais avant j'essaye de les comprendre , et je ne te cache pas que je suis loin d'avoir les compétences techniques de certaines pointures en électronique .
Je vais explorer ta piste dans la foulée , mais étant néophyte , il faut que je comprenne avant de me lancer ( heureusement que les infos se trouvent sur le web mais parfois dures à comprendre ...)
Juste un point pour les mesures.
Utilises Le Fluke, c'est un appareil professionnel.
Bon courage et bonne soirée,
JY
M'enfin ?!
en tous cas merci à vous pour votre aide et votre assistance (insistance ; ) ).
bonne soirée également
@+
Toutes ces mesures sont-elles faites hors charge ?re
j'ai pris les tensions aux bornes de D2 et D4 , résultat:
lorsque la carte est sous tension 230v , je trouve 11.6v / -11.6v sur D2 et Ov sec dans les 2 sens sur D4
Sur D6 idem , 0v sec dans les 2 sens
lorsque la carte est hors tension , j'ai les valeurs suivantes dur les diodes :
en mode multimètre "diode"
D6: 0.49v dans un sens , et 0,52 v dans l'autre / 395 ohms de mesurés dans les 2 sens de polarité .
D2:0.59v dans un sens et OL dans l'autre
D4: 0.018v dans les deux sens (surement du à la résistance en //) 10ohms de trouvés
ps : je peux ressouder la résistance que tu m'as fait dessouder ?
Cordialement, Bonne chance et bon courage.
M'enfin ?!
Est-ce qu'on peut avoir les tensions en charge ?
Il m'est déjà arrivé d'avoir des tensions correctes à vide, mais de constater une grosse chute de tension sur la carte une fois branchée.
Cordialement, Bonne chance et bon courage.
le souci c'est que je n'ai déjà pas de tension "à vide" , lorsque la carte est alimentée par le 230v, rien ne sort au niveau de la partie DC
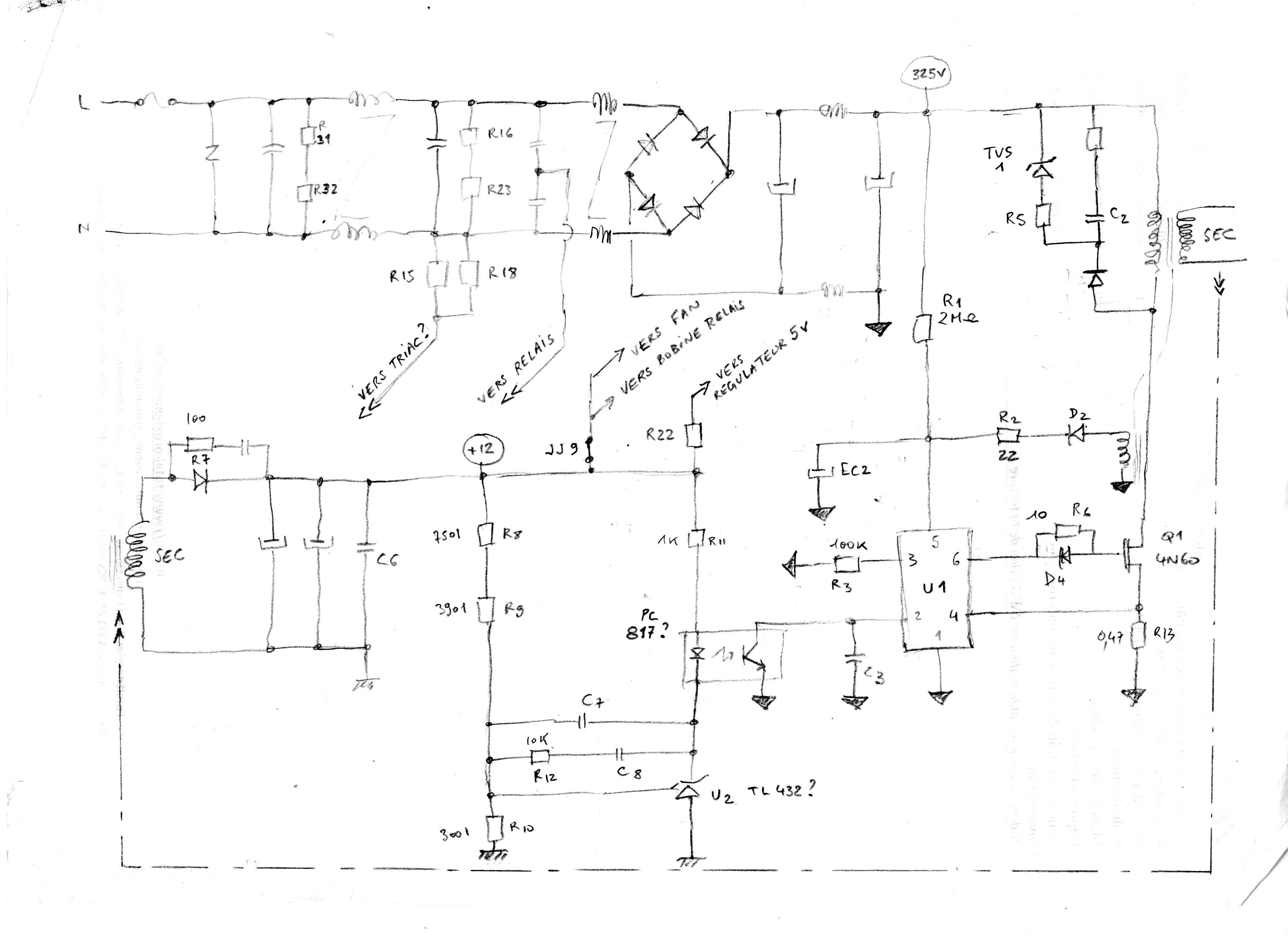
Bjr à tous,
tout d'abord, ce que j'ai relevé du schéma: (à l'ancienne, papier, crayon, gomme....
et mon analyse:
- le 325V est OK
- Contrairement à ce que disait l'IA, R15 et R18 n'interviennent pas dans le démarrage de l'alim.
- tant qu'il n'y a pas de 12V, la partie régulation (en bas à gauche, jusqu'à l'optocoupleur) n'intervient pas et ne doit pas interdire le démarrage. U2 est sans doute un TL431 ou 432 et l'optocoupleur un PC817 ou équivalent.
- R22 relevée n'améliore en rien. Mais exclut une possible surconsommation du régulateur 5V
- Le strap JJ9 enlevé supprimera l'envoi du 12V vers le ventilateur (FAN) (et sa diode D12 qui n'est pas très belle), et vers la bobine du relais central. (j'attends la mesure)
Si le fait de soulever JJ9 ne ramène pas le 12V, il restera à tester (ou remplacer) U1 et son environnement, Q1, D2 et D4.
Je commencerais par Q1. 4N60, boitier TO220F.
par exemple : https://www.ebay.fr/itm/274497327525...SABEgK71_D_BwE
J'espère n'avoir pas fait trop d'erreurs. N'hésitez pas à corriger ou à amener d'autres idées.
cdlt,
JY
M'enfin ?!
Bonjour JY ,
j'effectue la mesure ce soir , et te fais un retour dans la foulée.
Je n'avais pas la carte sous le coude ces derniers jours ; )
vraiment un super job ton schéma !!!!![]()
comme promis des news :
après avoir retiré le strap JJ9 , résistance toujours débranchée , j'ai à nouveau pris la mesure à l'endroit demandé (avec le fluke; )): il y a maintenant du 12V !!!!
tu as bien le 12V aux points indiqués au message #99 ?
Si oui, je soupçonne la diode du ventilo, D12
JY
M'enfin ?!
oui j'ai bien du 12v à cet endroit la ; )
je vais tester cette diode de suite (sans tension)
d'ailleurs à part la mention D pour diode je ne pensais pas que c'était une diode....elle est bizarre , toute carrée.....
Dernière modification par spiderfab ; 28/12/2025 à 19h01.
en mode diode sur le multi je trouve
0.59v dans un sens
OL dans l 'autre
(carte HORS TENSION 230v)
Dernière modification par spiderfab ; 28/12/2025 à 19h05.
pour lever le doute entre le relais et le diode :
-tu remets le strap JJ9
-tu soulèves les straps JJ7, près du relais et de 2 résistances et JJ5 près des connecteurs.
-tu remesures le 12V
M'enfin ?!
OK je ferais comme tu me dis demain ; ) je n'ai pas mon fer sous le coude.
donc je remet JJ9, soulève JJ7 et JJ5 mais je ne ressoude pas la résistance que tu m'avais fait déconnecter ?
Non, on verra plus tard. La résistance permet d'alimenter le régulateur 5V à partir du 12V. (ce n'est pas sur mon schéma)
Il faut trouver ce qui empêche le 12V de démarrer.
A+,
JY
M'enfin ?!
