connexion relais contrôle de charge solaire Vemer solar1 pour optimiser ballon d'eau chaude
Bonjours à tous
je rencontre un soucis avec un vemer solar 1
Pièce jointe 509986
notice d utilisation sur le net fichier PDF
https://www.vemer.it/static/upload/i...94000_3_fr.pdf
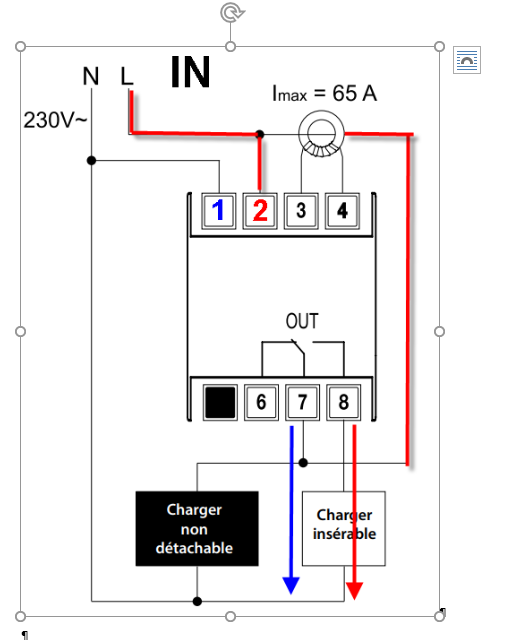
ne faite pas attention à la couleur sur le bornier 8 c est en principe un fil rouge donc la phase sortante
Pièce jointe 509987
on alimente le vemer avec le bornier 1 et 2 neutre en 1 et phase en 2
a l'aide d'un disjoncteur 2 ampères en amont pour protéger le VEMER SOLAR 1
on pose la sonde ou la pince ampèremétrique en 3 et 4 (câble blanc et noir)
schéma de vemer
Pièce jointe 509988
Pièce jointe 509989
mon schéma est il correct si je le branche en complément sur un ballon d'eau chaude déjà relié a un contacteur jour nuit
ce lui possède un bloc pilote qui est relié un disjoncteur 2 Ampères
Pièce jointe 509990
voici mon schéma d'après ce que j'ai compris
est il valable ou il y a une erreur ?
![]()
-----



