
les tensions 1.6v et 0v ont bien été mesurées par rapport à la masse ? (patte du milieu)
Maaaagnifiiiiique ! tout ça n'a aucune importance..
Oui, je confirme.
mesurer la tension (en DC) sur les pattes des condensateurs cerclé en jaune (si ça n'a pas été fait) il est probable qu'on trouve zéro ou proche de zéro
dessouder la patte de la diode de sortie (coté barre) et mesurer entre la masse (par exemple la patte "-" d'un condensateur du secondaire) et la patte dessoudé
si on a toujours zéro l'alim ne fonctionne pas, si on a une tension nettement plus élevée il y a un court circuit en aval
Dernière modification par titijoy3 ; 14/02/2026 à 11h57.
Maaaagnifiiiiique ! tout ça n'a aucune importance..
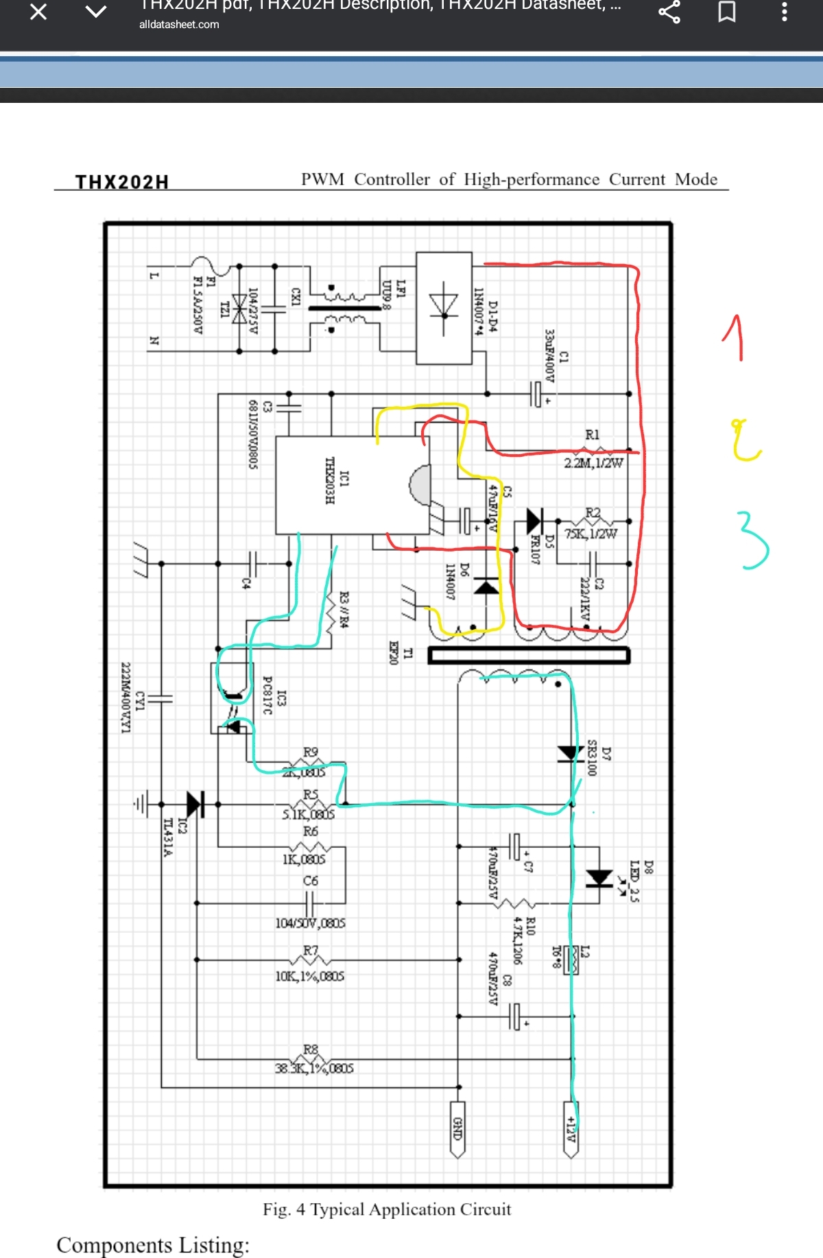
j'ai cerclé la diode en jaune et rouge:
Maaaagnifiiiiique ! tout ça n'a aucune importance..
Bjr
Vérifiez D8 ,diode qui redresse le VCC.
Les résistances de R1 à R5 sont bonnes ?
Bonjour,
petite synthèse :
Post #8 :
Rien en sortie, mais suspicion L1 coupée. Confirmé post #15
Post #23
Après remplacement de L1, on trouve des tensions continues sur le THX. Ce qui pourrait signifier qu'il n'est pas mort, peut-être en sécurité.
Post #30
En entrée, c'est la même mesure qu'au post #8 (masse bleue et 3), et on a 1,6V au lieu de 0.
Un court-circuit en sortie est possible.
Donc la mesure préconisée par Titijoy 3 au post #34 sur la cathode de la diode D6 sera intéressante
cdlt,
JY
M'enfin ?!
Une idée sur le déroulé du démarrage![]()
Résistance à mesurer entre pin1 du THX et le + du condo c1. (Sur R1)
Dernière modification par papilou06 ; 14/02/2026 à 17h29.
Bonjour,
à tous les 3 merci encore pour vos contributions, mention spéciale à JY et son récap. qui remet un peu l'église au centre du village pour l'ignare que je suis !
Voici les investigations menées par posts :
#34 :
a) E4 = E5 = 47 microF, mais je ne peux pas les mesurer avec mon multimètre qui s’arrête à 20mF. Mesuré 6,3v dc aux bornes de E4 et 0,6 V dc aux bornes de E5.
Qu'entend tu par l'alim ? l'ensemble ou un composant en particulier ?
b) 3,5v dc (D6 patte en l’air = 0,516v dc => bonne pour le service selon moi)
#36 :
D8 patte en l’air = 0,522v dc => bonne pour le service selon moi
#37 :
R1 = 2,28 Mohm
R2 = 2,24 Mohm
R3 = 100,8 kohm
R4 = 4,58 kohm
R5 = 9,8 kohm
#39 & 40
R = 4,70hms
Question de ma part, pour les mesures sous tension est-il nécessaire de rebrancher tous les connecteurs sur la carte comme je le fait à chaque fois ? À la longue, je crains de finir par créer de faux-contacts.
Cdlt
FD
serait il possible de repérer sur la photo les composants mesurés ?
mesure sur D6: en courant continu bien sur ?
pour les mesures il suffit de brancher l'arrivée secteur, les connecteurs autres peuvent rester débranchés
quelle tension est notée sur les caps du secondaire ?
quelle tension est notée sur les relais ?
Dernière modification par titijoy3 ; 15/02/2026 à 14h01.
Maaaagnifiiiiique ! tout ça n'a aucune importance..
si la self a mourru, pour moi le ci hacheur aussi,
je préconise le remplacement du ci et des condensateurs chimiques après avoir controlé le bon état des diodes (si papilou confirme)
Maaaagnifiiiiique ! tout ça n'a aucune importance..
Possible,sans schéma difficile à voir mais à plusieurs on y arrive.
Carte alim avec composants mesurés repérés :Pièce jointe 516679Pièce jointe 516680
mesure sur D6: en courant continu bien sur ? Oui
quelle tension est notée sur les caps du secondaire ?
Valeurs Condos chimiques.jpg
quelle tension est notée sur les relais ? Relais.jpg
C'est quel composant le CI Hacheur stp ?
D1 à D8 ont été contrôlées et RAS selon moi.
Bsfr
Le THX intègre un mosfet découpeur.
les relais sont en 12v, je pense qu'on devrait trouver cette valeur en sortie d'alim
Maaaagnifiiiiique ! tout ça n'a aucune importance..
Bjr,
je voudrais bien une nouvelle photo de cette zone (cf post #21). Merci d'avance
cdlt,
JY
M'enfin ?!
Bonjour JY,
La photo : IMG_4129.jpg
Merci encore pour tes contributions, mais pour l'heure je pète un câble ou devrais-je dire un composant. Je vais finalement commander une carte neuve chez le fabricant.
Hier, j'ai repris les tests de composants qu'il m'était possible de tester 1 à 1, R.A.S., Condo 100 nF 98 mesurés.JPGR = 5 Ohms mesurés à T° ambiante.jpgR=1 MOhm 998 kOhm mesurés.JPG
puis j'ai remplacé le THX par un 2ème neuf, et là plus de 325 v DC voir #7, puis re-test de L1 patte en l'air (elle est OK) !
Pour l'heure, je baisse donc les bras.
Cordialement
FD
Bonjour titijoy3,
Merci encore pour tes contributions, mais pour l'heure je pète un câble ou devrais-je dire un composant. Je vais finalement commander une carte neuve chez le fabricant.
Hier, j'ai repris les tests de composants qu'il m'était possible de tester 1 à 1, R.A.S., Pièce jointe 516739Pièce jointe 516740Pièce jointe 516741
puis j'ai remplacé le THX par un 2ème neuf, et là plus de 325 v DC voir #7, puis re-test de L1 patte en l'air (elle est OK) !
Pour l'heure, je baisse donc les bras.
Cordialement
FD
Bonjour Papilou 06,
Merci encore pour tes contributions, mais pour l'heure je pète un câble ou devrais-je dire un composant. Je vais finalement commander une carte neuve chez le fabricant.
Hier, j'ai repris les tests de composants qu'il m'était possible de tester 1 à 1, R.A.S., Pièce jointe 516739Pièce jointe 516740Pièce jointe 516741
puis j'ai remplacé le THX par un 2ème neuf, et là plus de 325 v DC voir #7, puis re-test de L1 patte en l'air (elle est OK) !
Pour l'heure, je baisse donc les bras.
Cordialement
FD
Bjr
Qui vous a fourni les THX ?
Bjr,
Comme indiqué dans le #18, Fractal 15 sur Ebay
Cdlt
