
J'ai plusieurs vidéos de poursuite, c'est de là que j'ai tiré les photos, mais je ne sais pas comment les rendre disponibles. En les mettant sur youtube, peut-être?
On verra...
Amicalement,
Yvan
Attention, je ne prétends pas que c'est facile, hein!
C'est déjà faisable à la main, je le sais puisque je l'ai fait.
Il s'agit juste de perfectionner le truc.
En plus, une plate-forme azimut-élévation avec un télescope et une webcam, ce serait aussi utilisable pour faire de l'astronomie. Une fois qu'avec ton joystick tu as trouvé la bonne vitesse en azimut et en élévation, ton télescope suit la voûte céleste impeccablement.
Pour aller un cran plus loin, une autre utilisation serait de suivre la station spatiale quand elle passe au-dessus de la région, peu après le coucher du soleil. Il y a des gars qui le font régulièrement. On peut voir des vidéos sur le Web. Le fin du fin, c'est le moment où elle rentre dans l'ombre de la Terre et elle est éclairée par la lumière crépusculaire. Pendant quelques secondes, elle devient de moins en moins lumineuse et de plus en plus rouge-orangé.Une merveille.
Amicalement,
Yvan
Suivre la trajectoire d'un avion en vol ça veut dire un mouvement relativement rapide, de l'ordre d'un tour en quelques minutes.
Suivre la trajectoire de l'ISS ça correspond à faire un tour en 90 minutes, la durée de son orbite.
Faire un suivi des étoiles c'est un tour en un poil moins de 24 heures (23 heures 56 minutes 4 secondes et des poussières) et sur un seul axe.
Tu crois que ton système est capable d'un tel différentiel de vitesse tout en gardant un mouvement fluide et sans à-coups ?
oui, en fait si on suit un avion d'horizon à horizon et qu'il passe exactement au-dessus de l'observateur, ça ferait un arc théorique de 180 degrés. En fait depuis chez moi, compte tenu du relief, des arbres et des bâtiments et du fait qu'il passe rarement juste en-dessus, il faut plutôt compter dans les 45 degrés et ça dure environ 1 à 2 minutes.
Elle fait le tour de la telle en environ 1 heure et demie, c'est exact, mais elle n'est visible que depuis qu'elle apparaît à l'horizon à l'Est et elle disparaît lorsqu'elle entre dans l'ombre de la Terre, à l'Ouest.Suivre la trajectoire de l'ISS ça correspond à faire un tour en 90 minutes, la durée de son orbite.
Ce site permet de savoir à quel moment elle va faire un passage visible d'un endroit donné:
https://www.heavens-above.com/PassSu...px?satid=25544
L'ISS reste visible à peu près le même temps qu'un avion. Elle se déplace beaucoup plus vite, naturellement, mais elle se trouve aussi beaucoup plus loin. Pour un observateur au sol, la vitesse de déplacement du point lumineux est pratiquement la même pour un avion que pour l'ISS. A tel point que dans le ciel nocturne, il est parfois difficile de dire si l'on a affaire à l'un ou à l'autre. Ce qui permet à coup sûr de faire la différence, c'est que l'ISS n'a pas de lumière clignotanteUn seul axe si tu as une monture polaire. Ici, on parle d'une monture azimut/élévation. Ce sera deux axes.Faire un suivi des étoiles c'est un tour en un poil moins de 24 heures (23 heures 56 minutes 4 secondes et des poussières) et sur un seul axe.
Pour ce qui est des mouvements très lents, les moteurs pas-à-pas sont imbattables. Il n'y a pas de limite. On peut leur faire faire un pas tous les 300 ans, si nécessaire. Non, je rigole!Tu crois que ton système est capable d'un tel différentiel de vitesse tout en gardant un mouvement fluide et sans à-coups ?
Pour la fluidité, comme indiqué au début de ce fil, les moteurs que j'ai commandés ont 64 pas par tour et la démultiplication est de 1:64, ce qui fait qu'on fait un tour complet en 64 * 64 pas = 4096 pas. 1 pas = 0.08 degrés.
Pour la vitesse, si on doit faire 45 degrés en 120 secondes pour suivre un avion, ça fait 562 pas en 120 secondes = 4.6 pas par seconde. On a 25 images par seconde avec la webcam. Un pas toutes les 6 images. ça devrait le faire, comme on dit.
Enfin, la pratique le montrera, mais j'ai bon espoir, il existe dans le commerce depuis longtemps des télescopes pour amateurs (Meade, Celestron), pilotés par ordi. On peut même entrer les éléments orbitaux de l'ISS dans l'ordi et le télescope va automatiquement se positionner pour faire une poursuite de l'ISS.
Amicalement,
Yvan
Bjr à toi,=Yvan_Delaserge;48447
, il existe dans le commerce depuis longtemps des télescopes pour amateurs (Meade, Celestron), pilotés par ordi. On peut même entrer les éléments orbitaux de l'ISS dans l'ordi et le télescope va automatiquement se positionner pour faire une poursuite de l'ISS.
Oui mais les télescopes en question "connaissent" exactement la trajectoire à suivre et PRE PROGRAMME.
L'astre dans ce cas est connu ainsi que sa trajectoire.
Faut néammoins " donner" au télescope les coordonnées du lieu ( GPS , etc ..ou autres) pour qu'il sache
OU il se trouve (il ne le devine pas) et faire une mise en station rigoureuse à moins que le GPS s'en charge.
Faire du "goto" dans ces conditions c'est...facile !
Avec un avion tu ne connais RIEN de lui...ton télescope est INCAPABLE de calculer quoi que ce soit dans ces conditions.
Là le ..."positionnement" c'est TOI qui devra en décider. Tu seras TOUJOURS tributaire de...toi meme
Mais si tu as espoir... ( c'est pour cela que je te demande de mettre ton "rapport" en ligne lorsque ce sera fait).
Cordialement
Dernière modification par f6bes ; 14/05/2014 à 16h03.
Bien sûr, c'est uniquement pour les satellites, et encore! à condition d'avoir des paramètres orbitaux à jour.
Pour les avions, ça doit obligatoirement se faire à vue et à la main...Mais si on peut se faire aider un peu par la machine, il y a peut-être moyen de perfectionner.
f6bes, si tu veux, je peux t'envoyer quelques clips vidéo, ils ne doivent pas faire plus que quelques mégas. ça doit passer en pièce jointe si tu me donnes ton adresse e-mail.
Amicalement,
Yvan
BonjourLes moteurs pas-à-pas ont une limite : celle de la taille du pas.
La position de pointage statique est quantifiée : avec un moteur présentant N pas par tour monté sur un réducteur de rapport 1:K, le contrôle par demi-pas provoquera toujours des sauts angulaires de 180/(N·K) degrés.
De plus, la vitesse de passage entre deux positions successives est généralement dé-corrélée de la vitesse de poursuite. En conséquence, il n'est pas possible de réaliser un pointage à la fois précis et continu, sauf à tirer partie de l'élasticité et de l'amortissement du système mécanique lorsque la vitesse de poursuite est suffisamment élevée (et dans ce cas, c'est l'erreur de pointage qui permet de réaliser la continuité, ce qui pose des problèmes de précision).
Le choix du moteur pas-à-pas et du réducteur associé est dépendant des caractéristiques de la poursuite à réaliser. Dans le cas où une grande plage de vitesse doit être prévue, cette solution peut rendre nécessaire un dispositif de stabilisation supplémentaire lors de prises de vue continues (post-traitement logiciel pour l'astronomie, par exemple).
Généralement, pour faire de la poursuite rapide, on utilise soit un entraînement par moteur à courant continu, soit un tourelle gyroscope, car ces solutions sont directement commandées en vitesse et ne présentent pas les limitations du moteur pas-à-pas commandé en position que je viens d'évoquer.
En admettant que l'on ait un avion de 50 m d'envergure, qui se trouve à 10 000 m de distance et qui remplit le tiers du champ de vision de la webcam, cela signifie que le champ d vision de la webcam est de 0,015 radians. C'est-à-dire 0,85 degrés.
1 pas du moteur = 0,08 degrés. ça représente le dixième de l'écran. Dans un premier temps ça devrait suffire.
Si ce n'est pas le cas, il y aurait la possibilité de rajouter un réducteur supplémentaire entre le moteur pas à pas et l'axe de la monture.
Quelque chose comme ça:
http://forums.futura-sciences.com/at...1&d=1400082226
http://www.ebay.com/itm/Repairing-Pa..._qi=RTM1562570
Il s'agit d'un réducteur 1:48 supplémentaire. 11,60 $ frais de port compris.
On aura donc des pas de 0,0016 degrés. Un pas fera moins de 2 millièmes de la largeur de l'écran.
On aura un couple 48 fois plus élevé (en théorie).
Mais en contrepartie il faudra une fréquence d'horloge 48 fois plus élevée. Pas loin de 200 Hz. Est-ce que les moteurs vont suivre? A voir.
Un réducteur 1:10 devrait suffire. Ou un système de poulie avec courroie crantée, comme dans les imprimantes jet d'encre. J'en ai récupéré pas mal!!
Amicalement
Yvan
De mon point de vue, le moteur pas-à-pas reste la plus mauvaise solution. Si tu continues sur ce choix, je ne saurais trop te conseiller de faire une étude dynamique sérieuse, afin de trouver les conditions de fonctionnement qui garantiront que le moteur réagira conformément à ta commande. Pour rappel, un moteur pas-à-pas mal commandé peut sauter des pas, vibrer de façon erratique, voire tourner à l'envers.
Va raconter ça aux fabricants d'imprimantes, de fax, de scanners de documents....
Si quelqu'un a déjà vu un de ces appareils tourner à l'envers, qu'il lève le doigt!
Sérieusement, pour une application nécessitant une rotation lente, de faible amplitude et de haute précision, le moteur pas à pas est la solution de choix. Pensons aux machines CNC, aux imprimantes 3D, même aux montres-bracelet.
Par contre tu avais raison sur un point: J'évaluais que un pas du moteur de la plateforme az-el équivaudrait à un déplacement de 1/10e de la largeur de l'image fournie par la webcam. Mais avec l'activation du moteur pas à pas en demi-pas, ce sera 5% seulement de la largeur de l'image. Avec les divers jeux, frottements, inerties, etc. ça devrait être totalement invisible sur un clip vidéo.
Salut à tous,
A la demande générale, j'ai mis en ligne quelques clips de poursuite. Dites-moi si vous arrivez à y accéder.
https://plus.google.com/103763162360...ts/8VFbRQv4Zzi
https://plus.google.com/103763162360...ts/CrT5pgbbeVT
https://plus.google.com/103763162360...ts/EZs9cRkMp8A
https://plus.google.com/103763162360...ts/bYcxNxfHYEo
Amicalement,
Yvan
Chez moi ça fonctionne pas. C'est pourtant pas les sites de partage de video qui manquent, YouTube, Dailymotion etc...
Bjr à toi,Salut à tous,
A la demande générale, j'ai mis en ligne quelques clips de poursuite. Dites-moi si vous arrivez à y accéder.
https://plus.google.com/103763162360...ts/8VFbRQv4Zzi
https://plus.google.com/103763162360...ts/CrT5pgbbeVT
https://plus.google.com/103763162360...ts/EZs9cRkMp8A
https://plus.google.com/103763162360...ts/bYcxNxfHYEo
Amicalement,
Yvan
J'y vois sur un seul des liens:
Un homme jovial, le verre à la main....apparait TRES brievement, 4 images dont 3 comportent des trainées d'avion.
Sur une seule aparait un avion ( une fraction de seconde).
Si c'est cela que tu appeles suivi vidéo...je reste sur ma faim!
Sur les 3 autres lien , j'y vois une adresse mail que je connais. Mais je doute que cela vous soit accessible.
Bref..peut lieux faire... (note: 2/10)
Bonne journée
Dit plutôt que tu n'as jamais vu tourner une moteur pas-à-pas hors d'une situation de conception correcte.
C'est justement parce que les ingénieurs des fabricants de ce type d'appareils (dont j'ai fait partie à une époque) savent que ça peut facilement arriver, qu'ils font l'étude électro-mécanique nécessaire, afin de choisir le moteur et le piloter en conséquence.
J'ai pris, au hasard, le première vidéo de bidouilleur sur moteur pas-à-pas qui me passait sous la main. Le résultat est sans surprise (voir à 1:51) :
C'est intéressant. Il doit s'agit d'un phénomène de résonance entre le moteur et la pignonerie. Mais si le moteur avait une charge a entraîner, les oscillations seraient amorties, voire même n'apparaîtraient pas.
Donc si la charge est trop faible, on peut avoir des oscillations. Si elle est trop élevée, le moteur saute des pas.
Pour obtenir une vitesse variable avec un moteur électrique conventionnel, il faut l'alimenter soit à tension variable, soit à tension fixe, en impulsions de largeur variable. Mais à faible vitesse, on doit perdre pas mal de couple. Ce n'est pas le cas avec un moteur pas à pas.
Or, ici, on est à des vitesses de rotation très faibles: 45 degrés en 2 minutes = 1 tour en 16 minutes = 0,062 tours/minute.
Amicalement,
Yvan
Au lieu de faire des suppositions, si tu te penchais sérieusement sur le problème, tu découvrirais que le phénomène est connu, quantifiable et maîtrisable, à condition de ne pas s'entêter à vouloir l'ignorer.
Pour résumer, le moteur fait n'importe quoi parce que la commande est désynchronisée par rapport aux déplacements prévisibles du moteur et de sa charge.
C'est un point de vue simpliste, qui ne tient pas compte de tous les autres paramètres qui interviennent (inertie, amortissement, accélération, vitesse, position, ...).
Ce n'est pas le cas (quoique...), mais comme le comportement mécanique de la charge est le même, il faut bien arriver à obtenir le même résultat correct.Pour obtenir une vitesse variable avec un moteur électrique conventionnel, il faut l'alimenter soit à tension variable, soit à tension fixe, en impulsions de largeur variable. Mais à faible vitesse, on doit perdre pas mal de couple. Ce n'est pas le cas avec un moteur pas à pas.
Ça nécessite de choisir correctement le moteur pas-à-pas, son électronique d'alimentation, et les séquences de commande correspondant aux différentes situations.
Comparé à un moteur à courant continu, ce n'est pas plus simple comme certains pourraient le croire. Au contraire, c'est bien plus complexe si l'on ne veut pas avoir des résultats aléatoires.
Là on voit des trucs, compte tenu de la qualité médiocre des images je me demande si ça vaut la peine que tu te donnes mais chacun voit midi à quatorze heures à la porte de la poutre de l'œil de son voisin...
Oh, le mec qui vous prend de haut!
Si tu veux faire le critique cinématographique, va à Cannes, le festival vient d'ouvrir!
Ah mais je me penche, je me penche! En fait si je viens poser des questions sur ce forum, c'est surtout pour essayer de réfléchir en groupe à comment faire, pas pour qu'on me démontre que c'est impossible à faire.La commande est désynchronisée?!! Et comment tu veux synchroniser un train d'impulsions "par rapport aux déplacements prévisibles du moteur et de sa charge"?
Pour résumer, le moteur fait n'importe quoi parce que la commande est désynchronisée par rapport aux déplacements prévisibles du moteur et de sa charge.Allez, sors-nous une belle équation, tu en meurs d'envie!
C'est un point de vue simpliste, qui ne tient pas compte de tous les autres paramètres qui interviennent (inertie, amortissement, accélération, vitesse, position, ...).Ok donc c'est extrêmement difficile quoi. J'ai bien compris, merci bien. ça m'aide énormément.
Ce n'est pas le cas (quoique...), mais comme le comportement mécanique de la charge est le même, il faut bien arriver à obtenir le même résultat correct.
Ça nécessite de choisir correctement le moteur pas-à-pas, son électronique d'alimentation, et les séquences de commande correspondant aux différentes situations.
Comparé à un moteur à courant continu, ce n'est pas plus simple comme certains pourraient le croire. Au contraire, c'est bien plus complexe si l'on ne veut pas avoir des résultats aléatoires.
Je ne le prends pas de haut et je ne fais pas de la critique cinématographique. Je constate juste que les images ne sont pas nettes et les couleurs un poil fades, c'est une remarque purement technique. Maintenant tu es parfaitement libre d'engloutir des ronds dans un truc pour faire des images d'une qualité... Discutable.
Essaye de poster tes images sur un forum de photo dédié à l'aviation...Et on en reparlehttp://forum.hardware.fr/hfr/Discuss...et_12535_1.htm
C'est toute la difficulté de l'usage du moteur pas-à-pas : on est obligé de deviner de ce qui va se passer, et le matériel doit être en mesure de corriger les écarts avec ce qui arrivera réellement.
La connaissance des caractéristiques du système et des conditions d'utilisation (inertie, frottements, couple extérieur...) permet d'établir les équations de la mécanique qui déterminent le comportement attendu du moteur, avec un degré d'incertitude provenant des variations de ces conditions. Cela fixe la chronologie de la commande.
Ensuite, le moteur choisi doit pouvoir "absorber" ces variations par une simple différence de positionnement angulaire inférieure au pas et un comportement visant naturellement à la stabilisation. Autant dire que ce n'est pas toujours gagné.
Ces équations sont normalement enseignée au lycée. Je ne vais certainement pas refaire un cours de mécanique ici.Allez, sors-nous une belle équation, tu en meurs d'envie!
Le problème, ce n'est pas tant que cette solution est difficile, mais surtout qu'elle est relativement inadaptée à ton application.Ok donc c'est extrêmement difficile quoi. J'ai bien compris, merci bien. ça m'aide énormément.
Je prends la peine de te mettre en garde sur le fait que les caractéristiques du moteur pas-à-pas et les séquences de commande à réaliser pour le faire tourner doivent impérativement être choisies en fonction du contexte et des performances à atteindre, sous peine de grosses déconvenues. Après, tu en fais ce que tu veux, ce n'est pas moi qui vais pleurer si ça ne marche pas.
La grande qualité d'un brainstorming (échange entre plusieurs personnes, de toutes sortes d'idées sur un sujet) est que des idées nouvelles apparaissent. Merci à tous!
Je pense que je vais modifier mon projet de la manière suivante:
http://forums.futura-sciences.com/at...1&d=1400218895
Au lieu d'utiliser une seule webcam pour à la fois trouver l'aéronef et pour assurer la poursuite, je vais utiliser deux webcams, l'une fixée sur la lunette de recherche du télescope, l'autre à la place de l'oculaire, pour la prise de vues.
La lunette de recherche possède deux fils qui se croisent au centre de son champ de vision, qui est beaucoup plus large que celui du télescope (donc son grossissement est beaucoup plus faible).
Il s'agirait d'utiliser deux joysticks, l'un pour les déplacements de grande amplitude (trouver l'aéronef dans le ciel), l'autre pour les déplacements de faible amplitude (poursuite).
On pourrait câbler les deux joysticks comme suit:
http://forums.futura-sciences.com/at...1&d=1400219679
Celui de 10 K pour les déplacements de grande amplitude, celui de 1 K pour les déplacements fins. Les deux joysticks devraient être débarrassés de leurs ressorts de rappel.
Amicalement,
Yvan
Evidemment, que les images ne sont pas nettes. Il s'agit d'un avion qui se trouve à plus de 10 Km et c'est pris avec une webcam à 2 balles. Ce n'est pas le propos. Tu n'as pas lu le titre du fil? ACTIONNER UNE CAMERA AVEC UN JOYSTICK. Si tu veux collaborer à ce projet, donne-nous des idées. Si tu veux regarder des jolies photos d'avions, une seule adresse: http://forum.hardware.fr/hfr/Discuss...et_12535_1.htmJe ne le prends pas de haut et je ne fais pas de la critique cinématographique. Je constate juste que les images ne sont pas nettes et les couleurs un poil fades, c'est une remarque purement technique. Maintenant tu es parfaitement libre d'engloutir des ronds dans un truc pour faire des images d'une qualité... Discutable.
Essaye de poster tes images sur un forum de photo dédié à l'aviation...Et on en reparlehttp://forum.hardware.fr/hfr/Discuss...et_12535_1.htm
Au revoir.
Ah, PA5CAL, je crois que nous allons pouvoir utiliser tes compétences.C'est toute la difficulté de l'usage du moteur pas-à-pas : on est obligé de deviner de ce qui va se passer, et le matériel doit être en mesure de corriger les écarts avec ce qui arrivera réellement.
La connaissance des caractéristiques du système et des conditions d'utilisation (inertie, frottements, couple extérieur...) permet d'établir les équations de la mécanique qui déterminent le comportement attendu du moteur, avec un degré d'incertitude provenant des variations de ces conditions. Cela fixe la chronologie de la commande.
Ensuite, le moteur choisi doit pouvoir "absorber" ces variations par une simple différence de positionnement angulaire inférieure au pas et un comportement visant naturellement à la stabilisation. Autant dire que ce n'est pas toujours gagné.
Ces équations sont normalement enseignée au lycée. Je ne vais certainement pas refaire un cours de mécanique ici.
Le problème, ce n'est pas tant que cette solution est difficile, mais surtout qu'elle est relativement inadaptée à ton application.
Je prends la peine de te mettre en garde sur le fait que les caractéristiques du moteur pas-à-pas et les séquences de commande à réaliser pour le faire tourner doivent impérativement être choisies en fonction du contexte et des performances à atteindre, sous peine de grosses déconvenues. Après, tu en fais ce que tu veux, ce n'est pas moi qui vais pleurer si ça ne marche pas.
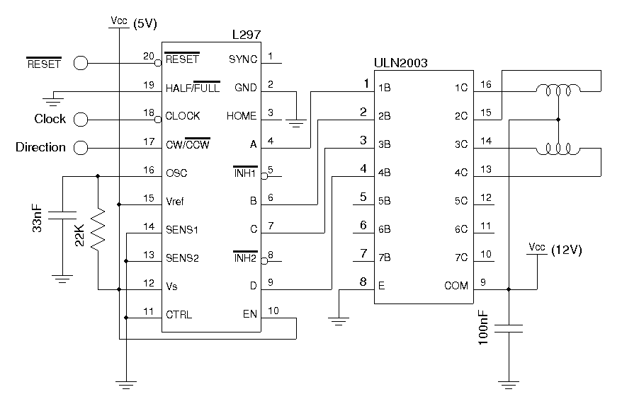
Concrètement, à la lumière de ce que tu nous écris, comment faire pour utiliser ces moteurs pas à pas:
http://forums.futura-sciences.com/at...1&d=1400220422
Je sais, ce n'est pas optimal, mais c'est hélas tout ce que l'on a à disposition.
avec ce montage:
http://forums.futura-sciences.com/at...1&d=1400220524
commandé par un joystick, selon ce montage?
http://forums.futura-sciences.com/at...1&d=1400220608
En particulier, comment:
1) synchroniser la commande par rapport aux déplacements prévisibles du moteur et de sa charge?
2) tenir compte de tous les autres paramètres qui interviennent (inertie, amortissement, accélération, vitesse, position, ...).
3) choisir correctement le moteur pas-à-pas, son électronique d'alimentation, et les séquences de commande correspondant aux différentes situations.
4) deviner de ce qui va se passer, et mettre le matériel en mesure de corriger les écarts avec ce qui arrivera réellement.
5) connaître les caractéristiques du système et des conditions d'utilisation (inertie, frottements, couple extérieur...)
6) établir les équations de la mécanique qui déterminent le comportement attendu du moteur, avec un degré d'incertitude provenant des variations de ces conditions.
7) fixer la chronologie de la commande.
8) faire "absorber" au moteur choisi ces variations par une simple différence de positionnement angulaire inférieure au pas et un comportement visant naturellement à la stabilisation.
Bref, comment faire en sorte que les caractéristiques du moteur pas-à-pas et les séquences de commande à réaliser pour le faire tourner soient impérativement être choisies en fonction du contexte et des performances à atteindre.
Hein, comment? Concrètement.
Merci d'avance
Amicalement,
Yvan
Dernière modification par gienas ; 27/06/2016 à 21h35. Motif: Fusion de deux messages consécutifs pour tenir la discussion sur une page
En résumé, je t'indiques que ton projet prend une mauvaise voie parce que la solution que tu choisis est complexe et inadaptée, tu n'exposes pas les informations nécessaires à sa conception, tu imposes des éléments sans t'inquiéter de savoir s'ils conviennent ... et passant outre mes conseils, tu comptes sur moi pour en réaliser l'intégralité des développements ???
Je pense qu'à ce niveau de f**t*ge de gu**le, je vais arrêter de perdre mon temps et de dispenser mes services à titre gracieux (parce qu'habituellement, les prestations de motorisation, je les fais payer, et que ton culot et ton entêtement sont arrivés à bout de ma bonne volonté).
Ah, dommage, PA5CAL.
Tu posais pourtant d'excellentes questions, sincèrement, c'est vrai!
Et moi, je t'ai fourni toute l'information dont je dispose, sur le matériel dont je dispose. Sincèrement.
Dommage, je vais tâcher de me débrouiller comme je pourrai, réaliser mon montage, le tester, montrer les résultats...etc
Sans rancune,
Yvan
Bonjour à toi,Ah, dommage, PA5CAL.
Tu posais pourtant d'excellentes questions, sincèrement, c'est vrai!
Et moi, je t'ai fourni toute l'information dont je dispose, sur le matériel dont je dispose. Sincèrement.
Dommage, je vais tâcher de me débrouiller comme je pourrai, réaliser mon montage, le tester, montrer les résultats...etc
Sans rancune,
Yvan
J'ai réalisé cela pour une commande de télescope:
http://www.google.fr/url?sa=t&rct=j&...,d.d2k&cad=rja
Mais bon la variation s'étale entre 45 et une centaine de hertzs.
Existe la meme chose avec moteur pas à pas (meme auteur)
A toi de voir si cela "s'adapte" à tes contraintes.
Mais j'y crois pas trop.
L'obtination est peut etre une bonne chose...SI on prend la peine d'ANALYSER le pour et le contre....OBJECTIVEMENT.
Ensuite l'entétement...c'est bon pour les anes (animal tétu)....pas dis que ce soit .."porteur" de solution.
Mais c'est en tombant que l'on apprend à se relever...TOUT seul . C'est un choix...
Bonne journée
Salut f6bes et MERCI pour cette excellente référence, que je vais m'empresser de dévorer!
C'est exactement ce que je cherche. Il ne manque plus qu'à trouver comment interfacer un joystick pour commander l'électronique. Mais le montage que je propose me semble être un bon point de départ.
Merci encore!
Amicalement,
Yvan
Ben voilà, justement, je viens de trouver un passage instructif:
Certains amateurs méditent sur cette faible fréquence car entre 2 impulsions de commande du moteur la terre tourne sur elle-même de 0,375". Cette valeur étant comparable à la résolution d'un télescope, certains pensent que la progression par à-coup de l'instrument va détériorer l'image.
Soyez bien convaincus que ce problème n'existe pas!!!
C'est un thème qui est généralement très mal compris par les astronomes amateurs. En effet, certains imaginent qu'il existe une relation mathématique entre la fréquence d'entraînement du moteur pas à pas et son influence sur la netteté des images mais ceci démontre qu'ils n'ont pas compris le problème.
Considérons tout d'abord une fréquence très basse pour l'entraînement du moteur pas à pas, 1/100 Hz par exemple. Dans ce cas la ligne de visée du télescope de déplacera par à coup et nous pourrons effectivement disserter sur une relation entre l'amplitude des pas de progression de l'orientation de l'instrument et son influence sur la netteté des images... Au passage, nous devons bien remarquer que l'amplitude des saccades de l'entraînement du télescope dépend de la direction visée, elle sera nulle quand l'instrument vise dans la direction de son axe de rotation horaire (c'est à dire vers un pôle céleste) et maximale dans une direction perpendiculaire (vers l'équateur céleste).
Maintenant, faisons augmenter progressivement la fréquence d'entraînement du moteur pas à pas. Au début de cette évolution, il y a bien une relation évidente entre cette fréquence et l'amplitude des saccades de l'orientation du télescope. Puis les choses se compliquent dès que l'on approche de la fréquence de résonance de la monture. A l'approche de celle-ci (1 à 10Hz environ), l'amplitude des saccades augmente sur la ligne de visée et elle peut devenir aberrante (plusieurs degrés!!!).
Après que la fréquence a dépassé la résonance, l'amplitude diminue fortement et les saccades prennent une valeur tout à fait négligeable. Elles deviennent bien plus faibles que ce que nous indique la relation constatée dans la première étape (quand la fréquence était très faible). Pour approfondir ce sujet, je vous propose d'étudier les cours sur les circuits résonnants...
En fait, la situation sur les télescopes réels est bien plus compliquée car ils ont plusieurs fréquences de résonance. Certaines d'entre elles peuvent se situer vers quelques dizaines de Hertz, c'est pour cela qu'il peut être nécessaire de disposer des amortisseurs en caoutchouc dans la conception du système d'entraînement.
Une loi mathématique générale qui relierait la résolution de l'instrument et la fréquence de pilotage du moteur pas à pas ne pourrait exister que sur un télescope idéal qui serait infiniment rigide...
Sur les télescopes que j'ai construits, j'emploie habituellement 40Hz comme fréquence d'entraînement de la monture. La ligne de visée du télescope progresse de 15 secondes d'arc par seconde de temps lors d'une observation sur l'équateur céleste. A chaque pas du moteur, la ligne de visée se déplace donc de 15/40 = 0,375 seconde d'arc. Si les saccades n'étaient pas amorties par la monture, elles seraient aisément visibles avec un fort grossissement. Or, je peux affirmer que je n'ai jamais pu les mettre en évidence.
En conclusion, l'inertie du télescope amortit complètement ces saccades si la fréquence de pilotage du moteur n'est pas trop basse. Si ce n'était pas le cas, cela voudrait dire qu'il y a une résonance dans la monture, c'est à dire qu'elle oscille (comme un pendule en quelque sorte) et qu'elle amplifie les vibrations provoquées par le moteur. Ce phénomène est particulièrement redoutable sur les montures métalliques. Il faut alors maintenir le moteur avec un support en caoutchouc et, si cela ne suffit pas, il faut l'équiper d'un manchon souple. Vous pouvez voir un tel exemple sur les plans du télescope TITAN.
Les saccades que montrait le moteur pas-à-pas de la vidéo ci-dessus étaient bien dues à un phénomène de résonance, c'est exactement l'explication que j'avais donnée.
Amicalement,
Yvan
Dernière modification par gienas ; 27/06/2016 à 21h36. Motif: Fusion de deux messages consécutifs pour tenir la discussion sur une page
Sur la vidéo, le moteur pas-à-pas faisait carrément marche arrière sur plus d'une dizaine de pas. C'est un phénomène différent de celui décrit ici : le moteur fournit un couple (et une accélération) dans la mauvaise direction à cause d'une dé-synchronisation entre l'angle de commande électrique et sa position angulaire mécanique.
Par ailleurs, il ne faut pas confondre l'entrée en résonance du télescope à cause des à-coups naturels du moteur (lorsque la fréquence de commande de ce dernier correspond à la fréquence propre du télescope) et l'entrée en résonance éventuelle du moteur (qui correspond à sa fréquence propre, généralement très différente de celle du télescope).
Lorsque le télescope vibre, c'est juste parce qu'on a choisi un moteur pas-à-pas.
Le texte cité confirme qu'à vitesse très lente, les à-coups sont bien présents. Et s'il disparaissent à grande vitesse, c'est parce que le pointage du télescope ne suit pas exactement la position donnée par le moteur, du fait de l'amortissement et de l'élasticité de la liaison mécanique entre les deux. C'est ce que j'ai expliqué plus haut, dans mon post #37.
J'ai commencé à examiner les joysticks que j'ai à la maison, pour voir s'ils seraient (ou pas!) utilisables dans l'application envisagée.
Voici la mécanique d'un joystick:
http://forums.futura-sciences.com/at...1&d=1400324594
Et le schéma:
http://forums.futura-sciences.com/at...1&d=1400324594
Le câblage ne va pas nécessiter d'importantes modifications. On va connecter le + Vcc au vert, la masse au fil orange et il faudra relier la masse aussi à la borne inutilisée des deux potentiomètres. S'il apparaît que les interrupteurs sont utilisables, il faudrait relier brun et noir au + VCC par l'intermédiaire de résistances.
Ce qui risque d'être un peu plus ardu, c'est comment faire en sorte que la manche du joystick ne revienne pas au centre lorsqu'on le lâche?
Le rappel du manche au centre est assuré pour chaque axe par un excentrique, serré par une pince dont les deux extrémités sont tirées ensemble par un ressort.
http://forums.futura-sciences.com/at...1&d=1400325273
Si on enlève les ressorts, le manche va tenir une position donnée, mais ses déplacements vont être freinés uniquement par le frottement du curseur du potentiomètre et ceux des pivots du manche. Cela risque d'être insuffisant.
Le mieux serait probablement de modifier la came existante, en quelque chose de cylindrique. la pince agirait alors comme un frein permettant au manche de maintenir sa position.
http://forums.futura-sciences.com/at...1&d=1400326443
Je vais voir si c'est réalisable avec mes modestes moyens d'usinage...
Amicalement,
Yvan
