Salut à tous,
J'ai cherché sur le forum s'il existait un projet pour actionner une caméra dans les deux directions. panoramique et plongée-contre-plongée avec un joystick, mais je n'ai pas trouvé grand-chose de concret.
Je compte utiliser des modules disponibles à bon compte sur Ebay:
Tout d'abord, ce type de moteur:
http://forums.futura-sciences.com/at...1&d=1399578050
les pas sont de 5.625 degrés donc 64 pas pour un tour et il y a un réducteur: 1 / 64. Pour faire un tour, il faut donc 64 x 64 pas = 4096 pas donc 0,087 degrés par pas. ça devrait être parfait pour une caméra.
L'IC qui pilote le moteur, un ULN 2003 est compris dans le prix: 4,99 $.
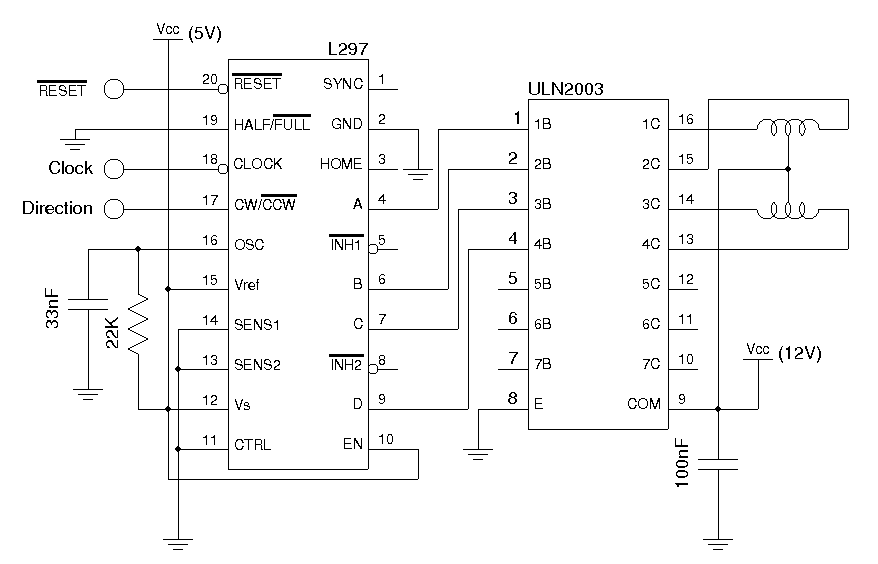
Pour piloter l'ULN 2003, je compte utiliser un L297 selon le schéma suivant:
http://forums.futura-sciences.com/at...1&d=1399579048
Il suffit d'envoyer au L297 les 3 informations suivantes: clock, direction de rotation et enable.
Pour générer ces trois signaux à partir d'un joystick, j'ai une idée de circuit (désolé pour la qualité des esquisses)
Tout d'abord le circuit pour générer les tops d'horloge (clock):
http://forums.futura-sciences.com/at...1&d=1399579804
Ensuite celui pour la commande de direction de rotation:
http://forums.futura-sciences.com/at...1&d=1399579984
Et finalement celui pour fixer la largeur de la zone neutre, au voisinage du point de repos du joystick. Lorsque le joystick se trouve à ce point, le L 297 est inactivé (pin Enable) et la position du moteur est maintenue.
http://forums.futura-sciences.com/at...1&d=1399580213
Commentaires? propositions?
Il s'agit seulement d'une idée de départ. Est-ce que quelqu'un a connaissance d'un quelconque circuit générant les 3 signaux nécessaires à partir d'un joystick? Je ne voudrais pas réinventer la roue...
merci d'avance.
Cordialement,
Yvan
-----





