Bonjour,
J'ai créé un montage "théorique", qui, dans la pratique, pose des problèmes, donc je souhaite recueillir des avis... Merci !
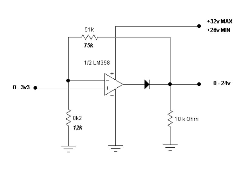
Je souhaite générer des tensions entre 0 et 24 volts, avec au moins 100 pas.
J'utilise donc un Digipot alimenté en 3.3 V, ce qui me permet de générer des tensions entre 0 et 3.3 V, avec 255 pas de réglage.
Puis j'utilise un ampli opérationnel multiplicateur, alimenté en 24 V, avec des résistances qui sont censées donner x10 environ (résistances de 5.1 kOhms et 47 kOhms). Ainsi, je pense générer de 0 à 24 V avec 185 pas (puisque 2.4 V = 3.3 / 255 * 185).
(J'ai également une configuration où j'utilise l'ampli op avec un facteur x5.6 : (5.1 kOhms et 23.5 kOhms) )
A la limite, les valeurs exactes (185, 24 V, ...) m'importent peu.
Je n'ai pas besoin de puissance (c'est pour alimenter un varactor, pour info).
Mes problèmes :
1) je n'arrive pas à descendre à 0 V. Ma tension en sortie d'ampli op est toujours au minimum de l'ordre de 1.5 V.
Quand je "monte le réglage", elle stagne au début (jusqu'au réglage légitime de 1.5 V), puis elle finit par monter de 1.5 V vers 24 V comme attendu ; et évidemment, à la fin, je "sature" : je me limite à 24V et je ne monte pas à 33V.
Je contourne le problème en ajoutant une diode, mais c'est assez peu satisfaisant...
Pourquoi est-ce le cas ? Comment contourner ce problème et avoir une tension initiale proche de 0 V ?
2) les tensions ne sont pas très reproductibles. Si je débranche tout et que je recommence, j'ai des valeurs légèrement différentes pour le seuil (1.5 V ci-dessus), et pour atteindre le 24 V, comme si le facteur multiplicatif de l'AO était bruité.
Est-ce normal ? Que faire ?
Je me dis que le facteur multiplicatif de l'AO est peut-être trop faible, et que je devrais viser du x30 (quitte à avoir moins de pas de réglage). Est-ce que ça me résoudrait mes problèmes 1) et 2) ?
Merci ++ pour vos idées !
-----




