Bonjour à tous,
Je débute en électronique et j'ai pour projet de récupérer la tension analogique fournie par un anémomètre et de la comparer.
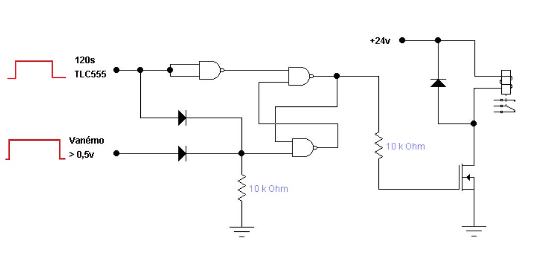
L'anémomètre fournit une tension de 0 à 5V selon la vitesse du vent à l'instant T.
Néanmoins, j'aimerais si possible, faire un montage qui permettrait :
Si la tension fournie par l'anémomètre > à une valeur supérieure à Vref pendant X secondes alors je récupère cette tension en sortie
Je vais utiliser un comparateur (LM311 ou 324 pour la comparaison) mais c'est plus sur la partie "si tension fournie par l'anémomètre > à une valeur pendant X secondes" que je bloque.
Concrètement avec un exemple cela donnerait :
Si Vanémo > 0,5v pendant 3 secondes alors..
Avez-vous une idée du composant ou montage que je pourrais utiliser pour comparer une tension sur une durée ?
Merci par avance
-----








