Bonjour, je suis en train de concevoir un datalogger auto/moto sur la base d'arduino.
Je souhaite exploiter le régime moteur grace à une pince inductive sur le fil de bougie.
J'ai créé un tore + bobinage de 16 tours avec un fil cuivre emaillé en 0.35mm.
Ce bobinage est relié à un petit PCB dans le corp de ma pince inductive. Ce PCB comprends une diode 1N4148 en parallèle et en série pour l'écrétage et redressement du signal alternatif induit par le fil de bougie. Puis en parallèle un condensateur 820pF et une résistance 4.7 megaohm pour la décharge lente du pic de tension pour avoir un signal exploitable.
pince_inductive_fluke_80_clone.jpg
Mais je bloque ensuite pour l'exploitation de ce signal avant l'envoi sur l'entrée de l'arduino. En effet l'amplitude du signal dépasse 16V avec il me semble une composante continue et j'ai des petits pics de tensions induits par les autres fils de bougies à proximités.
Signal_pince_inductive_O1.png
Signal_pince_inductive_O2.png
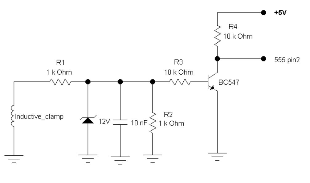
J'ai choisi de partir sur un tyristor car il me semble qu'ils sont piloté en intensité plutot qu'en tension et un NE555 pour filtrer les parasites. Mais impossible d'avoir un signal même en sortie du tyristor.
pince_inductive_rpm_conditionner.PNG
Pouvez-vous m'aider à comprendre là où je fais fausse route ?
Bien cordialement,
Bryan
-----

