de ce que je comprend l'émetteur et le récepteur sont inversé.
-----

de ce que je comprend l'émetteur et le récepteur sont inversé.
Pas récepteur mais collecteur.
Avec la base à gauche, l'émetteur étant le pôle avec la flèche :
- flèche orientée à gauche -> canal N donc transistor PNP (à gauche sur une droite orientée on va vers le moins donc négatif)
- flèche orientée à droite -> canal P donc transistor NPN (à droite on va vers le plus donc positif)![]()
L'électronique c'est comme le violon. Soit on joue juste, soit on joue tzigane . . .
ok donc pas utilisable
Bonjour
flèche vers l'extérieur, NPN, courant sortant
vers l'intérieur, PNP, courant entrant:
BC557, BC327, 2N2907, 2N3906, etc.
vérifier le sens, 2N3906 est inversé
Pascal
bon et bien je n'ai pas ce qu'il faut donc je vais attendre la commande
en attendant j'ai monté ma carte de test... il reste la partie transistor a finir
WhatsApp Image 2026-02-03 at 18.17.35.jpegWhatsApp Image 2026-02-03 at 18.17.35.jpeg
WhatsApp Image 2026-02-03 at 18.17.35.1.jpeg
Hum. Ça dépend!
Je relève deux datasheets contradictoires. Laquelle est la bonne?
S8050-1.PDF
S8050.PDF
alors comme je suis novice, je ne vois pas la différence:
Emitter-base 5v
Collector-base 40v
Collector-emitter 25v
emitter a gauche , base au milieu et collector a droite pour les deux
pour gagner de la place, serait il possible d'utiliser 1 transistor SMD BC 857B
![]()
j'ai trouvé cette reponce:
Les transistors SMD (Surface Mount Device) PNP sont des composants bipolaires courants utilisés pour la commutation de côté haut (high-side) et l'amplification. Les références populaires incluent les séries BC807, BC817, 2N3906, 2N2907, et MMBT3906
et un 2N3906
![]()
j'ai aussi vu les 2 descriptions différentes...
pour tester ton S8050, connectes un ohmmètre entre Base et Émetteur, si ça passe (env. 600ohm) avec le + sur la BASE, c'est un NPN.
sinon un SMD BC857 peut faire l'affaire, mais tu ne gagneras pas beaucoup de place...
Dernière modification par Pascal071 ; 03/02/2026 à 19h34.
Pascal
La différence est dans le schéma. Dans le transistor NPN la flèche émetteur sort du boîtier, dans le transistor PNP la flèche émetteur entre dans le boîtier.
On peut faire une comparaison avec des êtres humains: il y a deux éléments complémentaires, les hommes et les femmes. Ils sont semblables mais ne se montent pas à l’identique.
Bonjour
pour alfa gtv 916:
petite illustration de la différence PNP-NPN
![]()
Pascal
re-bonjour alfa gtv 916
il faut re-vérifier ton montage: https://forums.futura-sciences.com/a...8.17.35.1.jpeg
le - du condensateur va au 0V
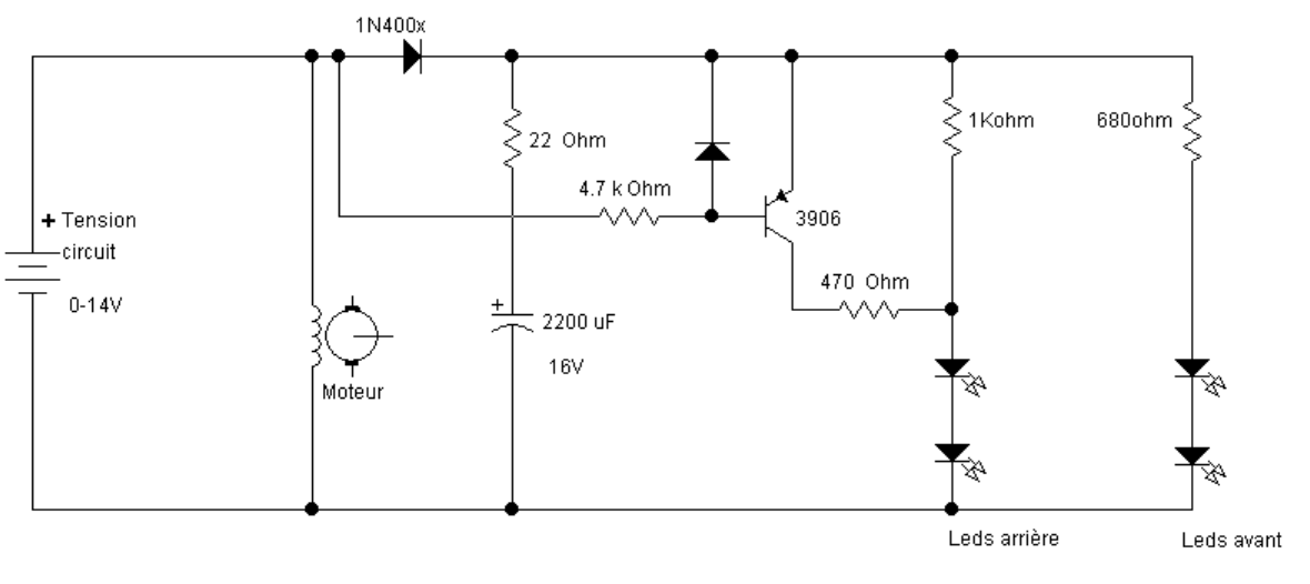
le + circuit va uniquement à la diode et la résistance de base du PNP
le + du condensateur (après la 22ohm) va à toutes les 680ohm, diode 1N4148 et émetteur du PNP.
je vois que tu as branché toutes les 680ohm sur le + circuit.
pour les essais, il faut remplacer le moteur par une résistance (1k) sinon le PNP ne va pas conduire quand tu vas couper la tension circuit.
ref. schéma:![]()
Dernière modification par Pascal071 ; 04/02/2026 à 16h40.
Pascal
même avec un schéma j'arrive encore a me planter
j'ai corrigé
merci pascal
en esperant avoir tout compris![]()
les leds rouge sont trop puissante, je pense rajouter plus de résistances ...
bonjour
plus tu augmentes la valeur des résistances, plus la durée d'allumage après freinage augmentera.
attention au câblage du futur PNP, la 1k va seule au + circuit.
Pascal
aiiii c(est pas ce que je souhaite. dans cette configuration les leds rouge éclaire trop mais serrait bonne pour le frein. comment descendre l'intensité des leds rouge avant freinage ?
bonjour
les résistances 1kohm en série avec les Leds rouges fixent le courant avant freinage.
les 470ohm fixent le courant pendant le freinage.
il faut faire les essais avec les leds montées sur la voiture.
Pascal
bonjour
avant de câbler le PNP, reprends bien le schéma, sur ta photo en #44 il y a encore des erreurs,
par exemple le point commun des 1k Leds va sur la diode 1N4007, pas sur le condensateur
Pascal
bonjour
j'ai reçu quelques composant et j'ai refait le proto
![]()
voici le transistor que j'ai utilisé
![]()
l'éclairage fonctionne est reste allumé à la coupure du courant quand le moteur n'est pas brancher ; mais si je branche le moteur l'eclairage ne fonctionne plus à la coupure du courant.
j'ai du me tromper quelque part...![]()
bonjour
oui, il manque des fils...
et une 10k qui n'a pas sa place.
sur breadboard, autant suivre la "géographie" du schéma.
![]()
Dernière modification par Pascal071 ; 13/02/2026 à 20h09.
Pascal
bonsoir
rectification:
la 1K sur la base du PNP doit être augmentée à 4k7, valeur suffisante pour activer le PNP,
sinon lorsque la tension circuit est à 0, elle contribue à décharger la tension condensateur, via la base du transistor,
ce qui contribue à diminuer le temps d'allumage des leds pendant le freinage.
![]()
Pascal
re
autre configuration des leds, si tu veux gagner 3 résistances, vu que la place est comptée:
![]()
Pascal
tout d'abord un tres grand merci Pascal pour ton temps , ta patience et tes explications.
effectivement l'utilisation de la breadboard comme tu me l'explique simplifie la lecture et devrais limiter les erreurs.
j'ai refais la breadboard et maintenant tous fonctionne , sauf l'éclairage de frein dont la luminosité ne change pas.
j'ai fais un test en changeant la R1K d'une led AR par une R4.7K, et ca me donne un éclairage de feu AR plus faible, ce qui est plus réaliste. mais lors de la coupure du circuit , je pensais que le courant venant du transistor serait plus fort et donc donnerait plus de luminosité ; mais ce n'est pas le cas.
j'ai fais un test en changeant la R470 par une R220 pensant que ca ferait une différance , mais ce n'ai pas le cas.
aurais tu une solution
pour reprendre ton dernier message sur la simplification du schéma et la soustraction de 3 résistances, le test est concluant. je pensais que les leds serrais plus lumineuses mais ca ne change rien, c'est parfait.
Bonsoir
tu fais le test freinage avec le moteur ?
à vide, le moteur n'est pas freiné par la voiture et la piste, alors il se comporte comme une dynamo et le PNP voit mal la tension circuit-moteur diminuer:
essaies en remplaçant le moteur par une résistance 22ohm, ou mieux, 2 résistances 10ohm en série, car elles vont chauffer lorsque la tension circuit fait 14V !
ou encore freines le moteur avec une mousse ou scotch, pour qu'il s'arrête plus vite.
tu es sûr du câblage du transistor? vu le modèle sms, pas évident.
Pascal
je viens de faire le test avec les 2 résistances de 10ohm et ca fonctionne
en cherchant des condensateurs j'ai vu des model beaucoup plus petit que ceux que j'ai, mais ils sont en 5.5V alors que les miens sont en 16V, y aurait il une possibilité de les utiliser ?
Bonjour
Avec. 14V sur le circuit, ils vont exploser...
Pascal
Bonjour à tous
Non, ce n'est pas prudent et pas "rentable".
Il faut en mettre quatre en série, strictement identiques pour tenir 20V, mais il faut diviser leur valeur par quatre pour obtenir la valeur du groupement.
Edit: grillé par Pascal071. J'ose espérer que alfa gtv 916 n'imaginait pas utiliser ses condensateurs 5V sur du 14V, car bien sûr c'est l'explosion garantie.
5,5V ce n'est pas une tension courante, sauf si ce sont des supercapas, qui, elles, sont très chatouilleuses sur la tension à ne pas dépasser.
Dernière modification par gienas ; 15/02/2026 à 09h14.
