grâce a un collègue slotteur, je viens de recevoir quelques photos d'un kit lumières qu'il utilise et il y a dessus le condensateur que j'ai vu
je vous partage les photos pour vous faire une idée
IMG_20250720_115954.jpg
IMG_20250720_120012.jpg
-----

grâce a un collègue slotteur, je viens de recevoir quelques photos d'un kit lumières qu'il utilise et il y a dessus le condensateur que j'ai vu
je vous partage les photos pour vous faire une idée
IMG_20250720_115954.jpg
IMG_20250720_120012.jpg
le condo que j'ai trouve
condo 0.22F 2.jpg
Dernière modification par alfa gtv 916 ; 15/02/2026 à 09h47.
est ce que cela fonctionne de la même façon ?
Oui, mais pas tout à fait (voir les post précédents). Il faut limiter les courants et les tensions.
De toute manière à 14 V ils vont péter.
L'électronique c'est comme le violon. Soit on joue juste, soit on joue tzigane . . .
limiter le courant et les tensions en amont, comment le vois tu ?
Aucune idée, jamais utilisé de supercondensateurs.
Et ça me semble contradictoire avec la place réduite.
L'électronique c'est comme le violon. Soit on joue juste, soit on joue tzigane . . .
l'idée c'est de déporté le condensateur ou le super condo hors de la platine électronique afin de pouvoir le placer indifféremment dans la voiture en fonction des petits espaces . la platine électronique seul peut trouver ca place facilement si le condo n'est pas dessus
Je suspecte ton questionnement de vouloir tenter le diable.
Mais tu dois résister, surtout dans ton application qui ne s'y prête pas.
Il faut limiter l'intensité de charge pour permettre de limiter la tension. La limitation de tension s'obtient par une diode Zener en parallèle. Ici, 5,1V peut être un bon choix. Mais s'il n'y a pas de résistance de limitation, certaines des Zeners peuvent subir des surintensités et se mettre en court circuit ou se couper. Quel que soit le cas, les condensateurs vont exploser par surtension.
Mais pour équilibrer les montées de tension, il faut des capacités identiques, sinon les plus faibles se chargent plus vite.
Oublie, s'il te plait cette possibilité.![]()
Je suspecte ton questionnement de vouloir tenter le diable.
non c'est juste le désire de trouver une solution plus facile a installer dans mes model réduit....
pour du 1/24 ca ne pose pas de problème mais au 1/32 c'est vraiment la galère
Bonsoir
le 2200µF peut aussi être déporté.
à la place du passager ?
je suis d'accord avec tout le monde, oublies les super-condensateurs, même en limitant et contrôlant leur charge:
ou bien ils n'auront pas le temps de charger
ou bien ils vont "pomper" un trop fort courant sur le circuit.
je propose que tu essaies en réel, condensateur à l'extérieur,
vérifier déjà que le circuit fonctionne comme souhaité
le schéma proposé est théorique et fonctionnel en principe,mais...
je ne suis pas persuadé à 100% que le PNP conduise bien avec le moteur ralentissant
Dernière modification par Pascal071 ; 15/02/2026 à 19h53.
Pascal
https://youtu.be/qcRDicxZtHc
la video pour montrer que ca fonctionne
Bonjour
la vidéo est privée...
Pascal
je viens de le corriger
bien, mais tu as mis les Leds en //, il faut les câbler en série (une à la suite de l'autre)
suis bien le schéma...
Pascal
visualisation câblage des Leds en série:
tu vas y gagner en temps d'extinction et les Leds s'éclaireront avec la même luminosité,
on voit dans la vidéo que les 2 leds rouges s'éclairent différemment, dû au montage en parallèle, elles se "battent" pour le courant
tu peux passer à 1k les leds blanches, ça suffira bien.
![]()
Pascal
je viens de travailler sur la préparation de la PCB. ca vous parait cohérant ?
prepa carte electro 1.jpg
prepa PCB 1.jpg
une chose m'inquiète... le transistor
je ne trouve pas de transistor "miroir" . quand je dis miroir j'entend l'émetteur en 1 et la base en 2. ca éviterait le passage entre les 2 autre plots du transistor
Dernière modification par alfa gtv 916 ; 17/02/2026 à 16h50.
est ce que vous utilisez easyEDA ? y a t'il une fonction pour vous envoyer le fichier complet avec les différant composant ?
ca pourait resembler à ca:
![]()
bonsoir
l'implantation a l'air correcte.
tu peux gagner un peu en longueur en ne mettant que 2 pastilles par paire de leds, en soudant les fils à l'extérieur,
et R3, R4, R6 dans l'autre sens.
Pascal
version 14,75mm x 8,5mm
si la taille des smd est correcte:
à souder avec des doigts de fée
![]()
Pascal
merci pascal.
bon je viens de reprendre le post depuis le début pour être sur de comprendre, parce que c'est quand même le but....
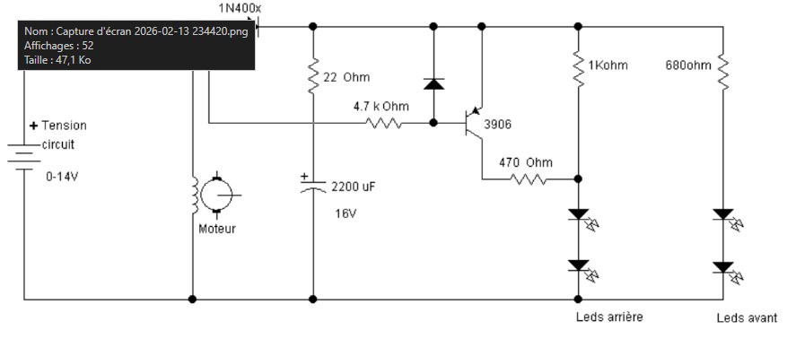
si je comprend bien.... (ca reste a prouver) sur ce schema
Pièce jointe 516805
la diode empêche le courant accumulé dans le condo d'être utilisé par le moteur, et a la différance du schéma suivant il n'y a pas de résistance de 22 Ohm
Pièce jointe 516806
la résistance de 22 Ohm sert-elle a protéger le condo, la diode, ou les leds ?
dans le schéma suivant, pour simuler les freins, il est utilisé un transistor PNP, une résistance 1KOhm et une diode.
shema eclairage avec feu stop 2.jpg
si je comprend : la résistance 1K réduit la tension avant le transistor et avant la diode. c'est pour protéger la diode ou le transistor ? ou les deux ?
toujours si je comprend.... lorsque le courant est coupé, le condo prend le relai pour alimenter le transistor et les leds. mais comme le courant est plus freiné sur les résistances de 1K, il passe par le transistor et les résistances de 470 Ohm.
ma question suivante est sur le fait d'utiliser sur le schéma suivant, qu'une seul résistance 470 Ohm ,qu'une seul résistance 680Ohm ,qu'une seul résistance 1KOhm . j'aurais tendance a penser que ce ne serait pas suffisant pour protéger les deux leds a la suite... pouvez vous m'expliquer ?
shema eclairage avec feu stop simplifier 3.jpg
bonjour
la 4k7 dans la base de Q1 sert à le saturer lorsqu'il y a moins sur le moteur que sur le condensateur.
elle limite le courant dans la base.
pour le dernier schéma, les leds sont montées en série
sur mon circuit imprimé en 3D je n'ai pas mis de pastille pour le point commun des leds pour gagner de la place,
les leds sont câblées en série par 1 de leurs fils.
en vert les pastilles de liaision:
(j'ai oublié les pastilles pour le condensateur)
![]()
Pascal
la 22ohm sert à limiter le courant dans le condensateur lors de sa charge (accélération)la résistance de 22 Ohm sert-elle a protéger le condo, la diode, ou les leds ?
illustration pour le câblage des Leds,
avec ce câblage la durée d'extinction est augmentée, la luminosité reste identique.
![]()
Pascal
peux tu préciser ? car ce que je comprend c'est que le condo ne se charge pas entièrement avec la résistance.la 22ohm sert à limiter le courant dans le condensateur lors de sa charge (accélération)
pour le schéma , ca veut dire que si une led grille, les deux se coupe .
le condensateur déchargé est vu par le circuit (via la diode 1N4002) comme un court circuit,
avec 14V le circuit, le condensateur et la 1N4002 subiraient un fort courant pour charger le condensateur.
la 22ohm limite ça et charge le condensateur à 12,1V (86% de 14V) en 100ms au démarrage.
100% en 200ms
ça ne sera pas perceptible sur les Leds puisqu'à ce moment elles sont alimentées par le 14V (via la 1N4002).
cette 22ohm a une valeur négligeable en rapport avec les 470 et 1k, donc pas de perte de tension au freinage.
sans tenir compte des 0,8V perdus dans la 1N4002 ni de la 22ohm:
les blanches perdent 3V env. soit 6V pour les 2 en série.
14V-6V=8V aux bornes de la 1k = 8mA
les rouges perdent 2V env. soit 4V pour les 2
14V-4V=10V avec 1k = 10mA -> tu peux augmenter à 1k5, comme tu as dit elles éclairent fort en course.
au freinage, condensateur chargé à 14V:
14V-4V=10V avec 1k//470 soit 320ohm = 30mA
avec 1k au lieu de 470ohm, ça serait 20mA.
ce courant décroit avec la décharge du condensateurs, et les diodes supportent un sur-courant temporaire.
il faudrait que tu nous donnes les modèles utilisés pour vérifier.
oui, si une led est HS ou le fil coupé, les 2 s'éteignent, mais les leds sont solides et en série tu gagnes du temps d'allumage au freinage.pour le schéma , ca veut dire que si une led grille, les deux se coupe
Dernière modification par Pascal071 ; 18/02/2026 à 18h10.
Pascal
Bonsoir à tous
Comme déjà expliqué non. Ce sera rechargé au max avec un très léger retard. Pour la sécurité, ça limite le courant mais pas la tension.
C’est exact si elle se coupe. Mais la probabilité est bien moindre que sur une vraie voiture avec les filaments.
La mise en parallèle des LED est théoriquement ”interdite” (sauf chez les chinois). Si vraiment tu veux éviter cette èventualité, tu mets les deux LED avec chacune sa résistance.
bonjour
j'ai fait quelques recherches et des essaies pour aller jusqu'au bout du projet. je me suis dit que si je met des freins , je peut aussi mettre un appelle de phare; alors j'ai fais ceci en partant d'un clignotement mais en le faisant démarrer qu'au dessus de 11v. ca fonctionne mais je ne suis pas entièrement satisfait. car le clignotement est régulier, ce qui n'ai pas très réaliste. comment faire clignoter 2 fois , avoir une pose et répéter. pouvez vous m'aider ?
voici mon schéma et une video.
https://youtube.com/shorts/py9wMmrPCYA?feature=share
