Bonjour,
Donc je redessouder mes deux MOSFET.IMG_6114.JPGIMG_6115.JPG
Petit rappel : je les avais intervertis de place et je n’avais alors plus de tension pour les deux moteurs.
Je les ai remis à leur place d’origine et j’ai retrouvé le même fonctionnement qu’au début.
Donc, pour moi, un MOSFET est HS.
Je vais changer les deux. Je ne suis pas sûr à 100 % que ce soit la panne, car je n’arrive pas à obtenir une tension pour la fermeture.
Il doit y avoir un autre composant qui gêne dans le circuit.
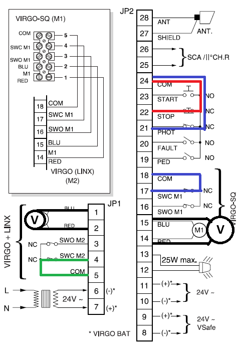
J’ai ce schéma qui pourrait aider :
portai10.jpg
-----





