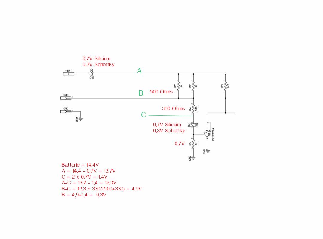
Désolé pour l'image qui n'a pas fonctionné, je la transfère ce soir.
Je comprends pas la "résistance qui va au +12 après le rupteur"
Le rupture est branché directement au boîtier transistorisé, donc pas de résistance sur le faisceau entre ces deux composants.
Le comportement du compte tour? Si je le branche directement sur la borne négative de la bobine il va cramer comme expliqué dans les messages précédents
Désolé si je comprends pas tout et merci
-----






