Bonsoir
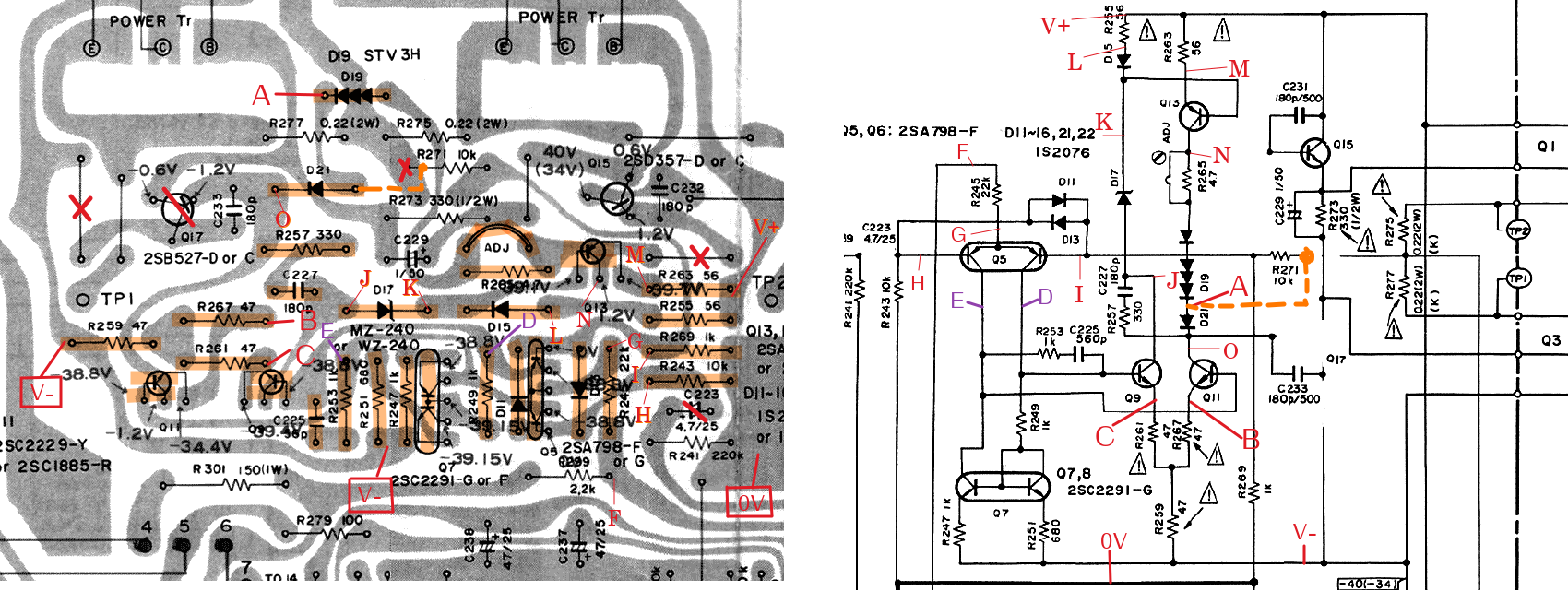
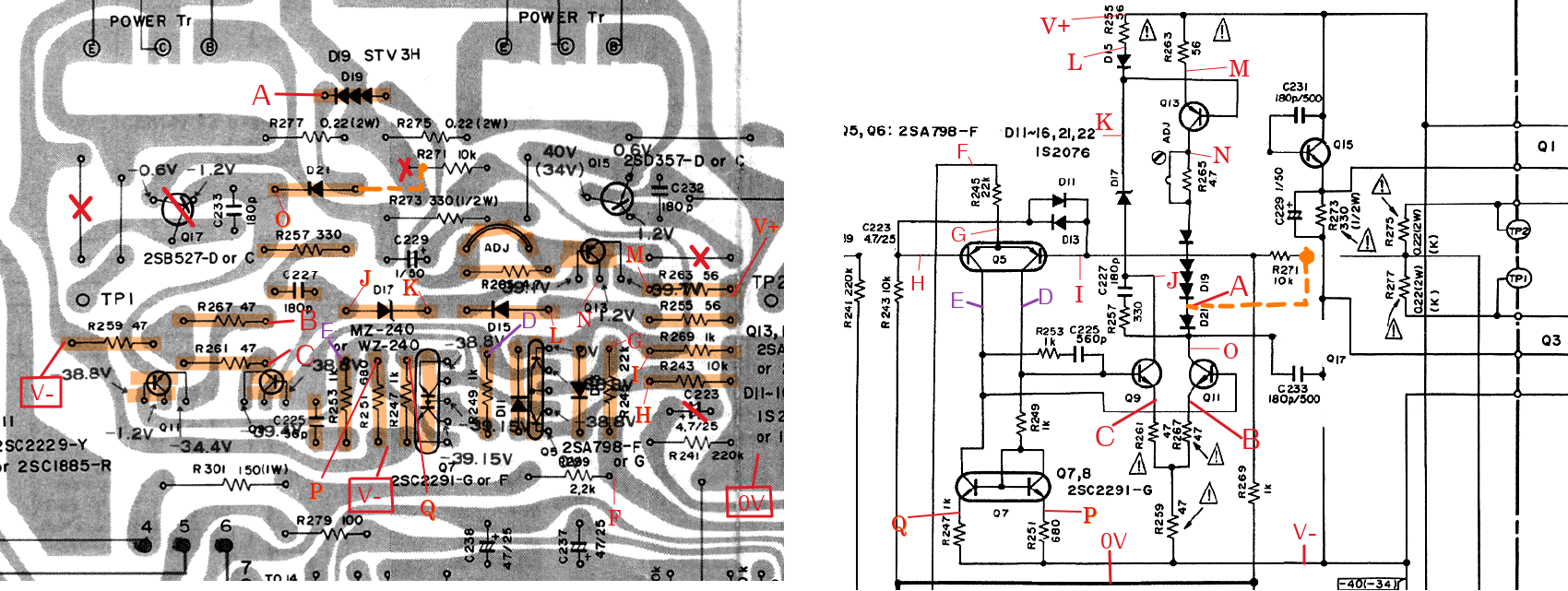
Dans ma réponse #418 par rapport au schéma #417. J’ai fait une bêtise. J’avais oublié de remettre Q9, Q11 et R253, désolé.
J’ai donc repris les mesures dans ce sens qui non bien sûr, plus rien à voir #418.
A/0V --> - 35.8 V ; - 41.6 V ; – 41.8 V ; – 42.2 V ; – 42.1 V ; – 42.4 V ; – 42.6 V
B/V- --> + 1.05 V ; + 996 mV ; + 810 mV ; + 621 mV ; + 546 mV ; + 366 mV ; + 300 mV
C/V- --> + 930 mV ; + 770 mV ; + 615 mV ; + 473 mV ; + 417 mV ; + 275 mV ; + 218 mV
A la fin, A est assez stable. A contrario B et C continuait de décroître tout le temps, sans avoir une valeur vraiment stable.
Je prends les mesures de D et E par rapport à V- et je reviens vers vous.Tu peux mesurer en D et E par rapport à V- ?
Encore une fois désolé pour #418, je n’ai pas fait attention.
-----


Ca ne correspond pas avec le courant qui traverse R267.

