Bonjour,
on ne connait toujours pas la tension de sortie ?
Sinon, quel tension a tu sur D19 ?
-----

Bonjour,
on ne connait toujours pas la tension de sortie ?
Sinon, quel tension a tu sur D19 ?
Bonjour,
la tension qui arrive sur R245, est déjà censé être régulé ...La tension aux bornes de R245 varie aussi de la même façon.
Je serai d'avis de mesurer les points A et B de cette config par rapport au 0V.
Après, il faudra peut-être s'arranger pour alimenter R245 à partir d'une tension fixe au lieu du montage d'origine.
Pièce jointe 511097
Bonsoir
Ayant la crainte de faire une bêtise.
Il faut que j’enlève Q5 une patte en l’air de D11, D13 et que je prenne les mesures dans ce sens ?
Bonne soirée à vous
![]()
Re
J’ai oublié de vous demander, est-ce-que je laisse les straps de la dernière fois en D21 et R273/275 pour prendre les mesures ?
Désolé Dat44, je n’avais pas vu vos message.
Est-ce-que je dois remonter D13, D11 et Q5 pour contrôler la tension sur D19 ?
Dans cette disposition, j’ai pris les mesures suivantes par rapport au 0v.
A --> 16.9 V ; 17 V ; 17.1 V
B --> 3.8 V ; 3.9 V ; 3.9 V
D19 une pointe + sur la cathode et l’autre pointe – au 0v. --> 38.6 V ; 38.6 V ; 38.7 V
Merci à vous et bonne soirée
C'est une régulation beurk.la tension qui arrive sur R245, est déjà censé être régulé ...
OK à la sortie de Q19, régulation classique.
Mais ensuite, on alimente 3 branches R280, R301, R299.
R299 alimente R245 et R246 qui sont en //. C249 découple le noeud R245/R246/R299.
On avait au départ 19,3V (R245)+ Vbe + 3V (R243) = au minimum 22,9V. C'est la tension en A par rapport au 0V.
Au #395, on a 16,9V en A.Bornes de R245 --> 19.3 V ; 18.2 V ; 17.8 V ; 17.4 V
Bornes de R269 --> 3.1 V ; 2 V ; 1.3 V ; 1 V
Bornes de R243 --> 3 V ; 1.9 V ; 1.3 V ; 1 V
C'est de moins en moins compréhensible
Oui
Oui
NB: demain je pars 15 jours en vacances !!!
Bonsoir
Je suis gêné parce que je sais que vous faîtes tout ce que vous pouvez pour m’aider. Même si on n’y arrive pas, je vous dois un grand merci pour votre soutien et surtout toutes les choses que j’ai pu apprendre grâce à vous.Au #395, on a 16,9V en A.
C'est de moins en moins compréhensible
Bonne vacance à vous. Cet après-midi ma fille est arrivée à la maison et je dois faire aussi un petit break pour m’occuper d’elle.
Merci encore et je l’espère à bientôt.
https://forums.futura-sciences.com/a...7_14-16-25.png
Je n'y avais pas prété attention. Il y a vraiment un problème.A --> 16.9 V ; 17 V ; 17.1 V
B --> 3.8 V ; 3.9 V ; 3.9 V
Juste avec la première mesure :
16,9V en A --> courant = 16,9/23k --> tension en B = 16,9*1/23 = 0,734V
Si tu n'avais pas relié le 0V de la partie ampli au 0V de l'alim (trait rouge de la copie d'écran), je dirais que ce qui est en orange est à vérifier
![]()
Bonjour
Désolé de vous répondre que seulement maintenant. Je dois partir bientôt avec mes enfants en bord de mer et je ne pourrai vous répondre qu’à partir de la semaine 35.
Merci beaucoup pour votre soutien.
J’ai testé les masses suivant le schéma #400 et je n’ai trouvé aucune anormalité.Si tu n'avais pas relié le 0V de la partie ampli au 0V de l'alim (trait rouge de la copie d'écran), je dirais que ce qui est en orange est à vérifier
Du point 27 à 30 --> 0.3 ohm sous tension 0V
Du point 27 à 13 --> 0.2 ohm sous tension 0V
Du point 30 à 9 --> 0.2 ohm sous tension 0V
Sur les 3 petits straps pareil cela va de 0.2 à 0.4 ohm et sous tension, j’ai 0V
A bientôt
Bonsoir à vous
Je suis désolé de vous répondre que seulement maintenant. J'ai eu un retour de vacance compliqué. Je suis dans l'embarras, ma voiture qui a des problèmes mécanique plus d'autres choses à régler. Je sais que vous suiviez avec intérêts ce tuto et je vous en remercie. Dès que possible et si vous le vouliez bien je reviendrai vers vous.
Merci encore et bonne soirée.
No problem. Le plus important d'abord
Bonsoir à vous
Je reviens vers vous après 2 longs mois d’absence. Désolé de ne revenir que seulement maintenant. J’avais tellement de choses à régler. Malgré cela, aujourd’hui c’est déjà un peu plus stable pour moi. Je ne perds pas pour autant espoir de revoir fonctionner un jour mon ampli, si vous êtes toujours d’accord bien sur de vouloir m’aider.
L’ampli est resté dans la même config que la dernière fois. Nous avions testé les masses et trouvé aucunes anormalités de ce côté-là.
J’ai relu quelques posts en arrière, j’avoue ne plus savoir dans quelle direction aller.
Bonne soirée à vous et je l’espère à bientôt.
Oui mais non.Nous avions testé les masses et trouvé aucunes anormalités de ce côté-là
J'en suis resté au #400. L'équivalent de https://forums.futura-sciences.com/a...7_14-16-25.png est le schéma qui suit.
Dans le montage 1, résultat normal. Le montage 2 montre que R269 doit retourner sur une source de tension de 3,2V pour obtenir 3,8V au point B. C'est inexplicable vu que tu as mesuré 0V sur les différents points du circuit https://forums.futura-sciences.com/a...ance-titre.png. Tu peux mesurer de nouveau entre B et le 0V ?
La petite variation mesurée entre les mesures vient certainement d'une dérive dûe à Q19 qui chauffe.
![]()
Bonsoir
Dans la même config que la dernière fois avec les 3 straps. J’ai repris en plusieurs fois les valeurs de B et de A aussi.Tu peux mesurer de nouveau entre B et le 0V ?
La petite variation mesurée entre les mesures vient certainement d'une dérive due à Q19 qui chauffe.
A --> + 16.2 V ; + 16.3 V ; + 16.3 V ; + 16.2 V --> valeurs stables à la lecture.
B --> - 3.4 V ; - 3.3 V - 3.2 V - 3.1 V --> Au début valeur à peu près stable et à la fin, ça devient compliqué. En reprenant la mesure, La valeur se met de à osciller de - 3.1 à -2,1 V.
Je reprends encore la mesure qui est à nouveau stabilisée à environ – 3,1 V. Au bout d’un bref instant, je recommence et la même chose se reproduit. Je commençais à me demander, si ce n’était pas mon multimètre qui dysfonctionnait…
Effectivement, il doit y avoir un gros problème.
Bonne soirée à vous
Ca a encore changé
Maintenant ce sont des 3V négatifs.
Je ne voudrais pas pousser à la consommation, alors avant d'acheter un nouveau multimètre, essaie d'en emprunter un
Bonsoir
Dans mon message #395 ci-dessous, je n’avais pas mis les polarités. Ce soir pour comparer, j’ai repris les valeurs de B avec mon multimètre de marque Métrix MX355 (moins précis) et l’autre multimètre que j’utilise habituellement. Les valeurs et les polarités coïncident. J'ai pourtant bien mis la pointe (-) du multimètre au 0 V et la pointe (+) sur B.
Bonne soirée à vousDans cette disposition, j’ai pris les mesures suivantes par rapport au 0v.
A --> 16.9 V ; 17 V ; 17.1 V
B --> 3.8 V ; 3.9 V ; 3.9 V
D19 une pointe + sur la cathode et l’autre pointe – au 0v. --> 38.6 V ; 38.6 V ; 38.7 V
![]()
A croire que ton ampli est hanté.
Je ne crois pas aux fantomes, vérifies que le point B du montage 1 de https://forums.futura-sciences.com/a...6_05-46-56.png n'est relié à absolument rien, cad que la soudure entre les deux résistances est faite en l'air.
Un diviseur de tension positive à résistances ne peut pas donner une tension négative.
On va finir par refaire l'ampli en entier![]()
Dernière modification par lutshur ; 18/11/2025 à 11h12.
Bonsoir
J’avoue ne pas comprendre non plus.
Pour remémorer la situation.
R277 ; R275 ; C223 ; D11 ; D13 ; Q5 ; Q1-Q4 sont toujours enlevés.
D21 est shunté par un strap, R271/277/275 est relié par un strap à R273/Emetteur Q17.
J’ai contrôlé les soudures, je n’ai rien trouvé d’anormale.
Je ne sais pas, si ma logique était bonne. J’ai enlevé le strap à R273/Emetteur Q17 à R271. La polarité est redevenue normal en B comme en A.
Est-ce que Q17, Q15 ou Q13 pourraient perturber la polarité ?
Bonne soirée à vous.
![]()
Dernière modification par fanfan 86 ; 18/11/2025 à 21h35.
Zut, je n'ai pas emporté ma clef USB avec tous les fichiers, je ne suis pas devant l'ordi habituel.
Pas trop envie de faire défiler la discussion, alors, je verrai demain. Ou pas.
Si j'ai un peu de temps en soirée, je m'y mets
Dernière modification par lutshur ; 19/11/2025 à 11h41.
Non pas pourraient perturber, mais perturbaient.Est-ce que Q17, Q15 ou Q13 pourraient perturber la polarité ?
Maintenant que la cause est trouvée, A et B sont stables ?
J'ai déjà oublié le pourquoi de cette opération.
Bonsoir
Prenez tout votre temps, c’est déjà super sympa ce vous faîtes pour essayer de m’aider. Moi, aussi, il y a des jours où c’est je plus compliqué que d’autres.
A --> + 16.7 V ; + 16.7 V ; + 16.8 V ; + 16.8 V ; + 16.9 V ; + 16.9 VMaintenant que la cause est trouvée, A et B sont stables ?
B --> + 589 mV ; + 594 mV ; + 603 mV ; + 615 mV ; + 648 mV ; + 662 mV
Oui, c’est beaucoup plus stable. La valeur de B croît un peu dans le temps. Mais c'est beaucoup mieux.
Moi aussi, demain soir j’essaierai de comprendre pourquoi.J'ai déjà oublié le pourquoi de cette opération.
Bonne soirée à vous.
C'etait pour vérifier la stabilité des 17V.
S'il n'y avait pas plus de chiffres après la décimale, ce qui me parait trop idéal, on a une variation de 200mV en A.
Normalement la variation en B devrait être 23 fois moindre, donc égale à 8,7mV. On a 73mV. Ne chipotons pas trop, on va faire avec.
On va regarder Q5, Q7 et leurs résistances. Plus tard, on ajoutera des composants en aval.
Tu cables Q5, Q7, R245, R249, R247,R251 en les isolant du reste. Donc exit Q9, Q11, R271, R253 ou C225 (un seul des 2 suffit). D11 et D13 restent.
On obtient les composants surlignés en orange
Par rapport à V-, tu mesures BB, CC et DD
![]()
Bonsoir
Tu câbles Q5, Q7, R245, R249, R247,R251 en les isolant du reste. Donc exit Q9, Q11, R271, R253 ou C225 (un seul des 2 suffit). D11 et D13 restent.
Ce soir, j’ai effectué comme décrit ci-dessus et j’ai pris les mesures demandées dans ce sens.
BB --> 650 mV ; 580 mV ; 506 mV ; 465 mV ; 422 mV ; 409 mV ; 408 mV
CC --> 605 mV ; 520 mV ; 477 mV ; 441 mV ; 403 mV ; 386 mV ; 382 mV
DD --> 1.15 V ; 1.08 V ; 1.04 V ; 1.01 V ; 970 mV ; 980 mV ; 947 mV
Au début les valeurs de BB et CC étaient très instables et à la fin beaucoup moins sans vraiment l’être.
En espérant que cela puisse vous éclairer. Merci pour le schéma et bonne soirée à vous.
Enfin une bonne nouvelle.et à la fin beaucoup moins sans vraiment l’être.
On voit quand même que la régulation de tension en amont de A n'est pas des meilleures. En sortie de Q19, elle doit être correcte, mais ensuite R299 vient la dégrader parce qu'elle distribue 2 branches.
Tant que ça arrive à se stabiliser, c'est utilisable.
Au fait C249 avait été mesuré ou changé (47µF)?
La suite plus tard
Dernière modification par lutshur ; 21/11/2025 à 04h42.
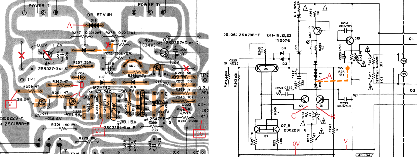
Nouvelle config. Mesurer A par rapport au 0V. Mesurer B et C par rapport à V-.
![]()
Bonsoir
Dans le doute, j’ai recontrôlé C249 avec mon multimètre et mon petit testeur T7. Tout me semble correct, même si les valeurs sont plus excessives que celle du condensateur.#416 Au fait C249 avait été mesuré ou changé (47µF)?
Multimètre --> 59.6 uF ; 59.7 uF
T7 --> 55.73 uF ; Vloss 1.8% ; ESR 0.13 ohm ; 55.84 uF ; Vloss 1.9% ; ESR 0.12 ohm
Les diodes d’origine D11 et D13 avaient été remplacées par des diodes 1N4148, normalement il ne devrait pas y avoir de souci de ce côté-là ?
J’ai configuré d’après votre schéma #417 et j’ai mis sous tension. Sauf que j’ai fait une bêtise, j’avais oublié d’enlever Q17.. J’espère que cela n’a pas été néfaste pour certains composants..
J’ai donc enlevé Q17 et pris les valeurs dans ce sens.
A/0V --> + 5.5 V ; 4.3 ; V 3.9 ; V 3.6 ; V 3.4 ; V ; 3.2 V ; 3.1 V ; 3.1/3.4 V
B/V- --> + 6,4 mV ; 6,3 mV ; 6,1 mV ; 6 mV ; 5.3 mV ; 5.1 mV ; 5.2 mV ; 4.5 mV
C/V- --> + 5.9 mV ; 5.8 mV ; 5.6 mV ; 5.8 mV ; 4.9 mV ; 4.7 mV ; 4.7 mV ; 4 mV
La valeur de A est la moins stable, à la fin celle-ci oscillait entre 3.1 et 3.4 V.
Bonne soirée à vous
Normalement non. Je l'ai fait enlever pour être vraiment tranquille.j’avais oublié d’enlever Q17.. J’espère que cela n’a pas été néfaste pour certains composants
D11 et D13 peuvent rester en 1N4148.
Intéressants les résultats
Q9 et Q11 ne conduisent pas. Au #213 on avait entre 200mV et 300mV aux bornes de R261 et R267.
Dernière modification par lutshur ; 22/11/2025 à 10h08.
Tu peux mesurer en D et E par rapport à V- ?
![]()
