Bonsoir
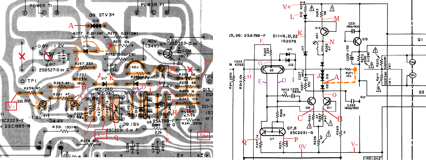
R261 --> 47.2 ohm ; R267 --> 46.8 ohmSi R261>R267, tu les permutes. Tu remesureras A au prochain démarrage.
R261 étant supérieur, je l’ai permuté de suite avec R267 avant de commencer et j’ai pris les mesures de A dans ce sens par rapport au 0V.
A/0V --> - 130 mV ; (2 min) - 114 mV ; (4 min) - 123 mV ; (7 min) - 112 mV ; (10 min) - 107 mV ; (12 min) - 105 mV ; (15 min) - 101 mV ; (18 min) - 96 mVA est négatif mais tend vers 0, au bout de quelle durée ?
Les valeurs de A continuaient encore à évoluer vers le 0.
Désolé pour R263 et R255, je le ferai demain soir.
Je voulais vous demander pour Q19, il n’y a pas de souci, on laisse comme ça ?
Merci à vous et bonne soirée
-----

