[Autre] suivi solaire simple - Page 6
Répondre à la discussion
Page 6 sur 18 PremièrePremière 6 DernièreDernière
Affichage des résultats 151 à 180 sur 523

suivi solaire simple



  1. #151
    popop

    Re : suivi solaire simple


    ------

    bonjour,
    Citation Envoyé par mag1 Voir le message
    Ok, parce que, en cas de surchauffe, l'abaissement se ferait avec une temporisation du moteur.
    MM
    pour info chez moi il faut 120s pour passer de 20° à 180°, je suis pas sûr de la démultiplication, mais de mémoire c'est aux alentours de 1/260.

    Citation Envoyé par patrick63730 Voir le message
    bonjour j'ai repris l'idée de titijoy3 et en imprimant une pièce comme pièce jointe montée sur un interrupteur avec une tige ressort ce serra parfait juste un peut de réglage pour trouver la bonne valeur, mais comme je vais travailler avec un picaxe je continu cette discussion sur le forum picaxe.
    si c'est les mêmes fins de course que moi, sur 4 j'en ai remplacé 2 en moins de 3 ans, il faudrait changer les joints, ils se craquellent vite et les contacts à l'intérieur s'oxydent aussi vite, ils ne sont pas faits pour une utilisation soumise aux uv et à l'humidité (j'en ai un dans un container qui est comme neuf depuis plus de 3 ans)

    -----
    Dernière modification par popop ; 21/02/2026 à 17h26.

  2. #152
    patrick63730

    Re : suivi solaire simple

    bonjour oui il y as interrupteur et interrupteur tout est dans le prix j'en ai qui sont en service depuis 10 ans dans une serre mais ce de sont des inter industriels prévus pour être immergés en milieu corrosif, a l'intérieur c'est un inter moulé dans une résine et il y as 3 joints toriques sur le poussoir qui est en inox a4 j'en ai ouvert un pour enlever le calcaire qui était fixé sur le poussoir, c'est nickel a l'intérieur, bon je les ai récupérés a la benne lorsque je travaillais dans l'industrie ils étaient remplacés régulièrement dans le cadre du plan de maintenance,sinon ça coûte plusieurs dizaines d'euros la pièce

  3. #153
    patrick63730

    Re : suivi solaire simple

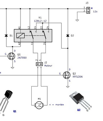
    Bonjour j'ai fait ceci sur easy EDA la connectivité est bonne j'ai converti en pcb mais je ne parviens pas a trouver mon pcb, ou est ce qu'il faut que j'aille pour le récupérer?Nom : Capture d'écran 2026-02-22 093549.png
Affichages : 102
Taille : 181,5 Ko

  4. #154
    Forhorse

    Re : suivi solaire simple

    comment ça le récupérer ?
    Tout projet flou conduit à une connerie précise !

  5. #155
    patrick63730

    Re : suivi solaire simple

    Oui je ne parviens pas à me trouver

  6. #156
    patrick63730

    Re : suivi solaire simple

    je voudrais bien retrouver mon pcb pour travailler dessus mettre la sérigraphie modifier les empreintes en fonction de me composants et faire les gerbers pour lancer la fabrication, bon ce n'est qu'un essai mon schéma n'est pas terminé il faut que je le vérifie il dois bien manquer quelque chose que je n'ai pas encore vu .

  7. #157
    mag1

    Re : suivi solaire simple

    Citation Envoyé par patrick63730 Voir le message
    je voudrais bien retrouver mon pcb pour travailler dessus mettre la sérigraphie modifier les empreintes en fonction de me composants et faire les gerbers pour lancer la fabrication, bon ce n'est qu'un essai mon schéma n'est pas terminé il faut que je le vérifie il dois bien manquer quelque chose que je n'ai pas encore vu .
    Bonjour,
    C'est vrai que pour la lisibilité, #153, c'est pas évident, j'ai celui ci, qui donne déjà une vague idée de ce que peut être la disposition du PCB.

    Nom : schempours4.JPG
Affichages : 98
Taille : 96,9 Ko
    MM
    Si il y a des erreurs ci dessus, c'est que je n'ai pas eu le temps de les corriger...

  8. #158
    patrick63730

    Re : suivi solaire simple

    Bonjour oui il n'est pas trop lisible mais je suis en phase d'essai je teste pour voir ce que ça donne je me suis aperçu que méme avec des symboles perso ça fonctionne du moment que je les fait reconnaître par easy EDA

  9. #159
    Pascal071

    Re : suivi solaire simple

    bonjour

    je ne connais pas easyEDA, j'utilise Kicad.
    Il faut faire figurer les symboles pour les entrées/sorties (connecteurs)
    et les composants externes, moteurs, fc, doivent être exclus du pcb.
    exemple avec Kicad:
    Nom : Programmation Code Arduino pour téléphérique.png
Affichages : 95
Taille : 62,3 Ko
    Pascal

  10. #160
    Forhorse

    Re : suivi solaire simple

    Citation Envoyé par patrick63730 Voir le message
    je voudrais bien retrouver mon pcb pour travailler dessus mettre la sérigraphie modifier les empreintes en fonction de me composants et faire les gerbers pour lancer la fabrication, bon ce n'est qu'un essai mon schéma n'est pas terminé il faut que je le vérifie il dois bien manquer quelque chose que je n'ai pas encore vu .
    Une fois que tu as fais ton schéma, tu vas dans "Design> Convertir le schéma en PCB" (ou tu fais Alt+P) et normalement il ouvre un nouvel onglet avec le l’ébauche d'un PCB : toute les empreintes des composants sont placées et tu as un contour de carte de dessiné.
    Sinon tu as aussi ton PC dans ton projet, par le bandeau latéral gauche. Dans "projet" tout simplement.
    Et si tu modifie le schéma en cours d’édition du PCB, il faut mettre à jour le PCB en conséquence par le menu "Design -> mettre à jour le PCB" (Alt+U)
    Tout projet flou conduit à une connerie précise !

  11. #161
    Gyrocompas

    Re : suivi solaire simple

    Bonjour,
    Dans ma ville, 2 bâtiments publics sont équipés de récupérateurs thermiques sur leur toit.
    L'installation est fixe, orientée sud.
    En s'intéressant au rendement, c'est logique :
    Nom : chauffage-eau-chaude-solaire.png
Affichages : 94
Taille : 46,6 Ko

    Le dispositif est peu directif, la majorité est installée en fixe.
    Un relevé de performance montre que la courbe orientée plein sud avec un correctif mensuel en élévation est identique à celle avec une poursuite

  12. #162
    mag1

    Re : suivi solaire simple

    Ce diagramme #161, pose une question: La poursuite du soleil est-elle nécessaire ?
    Peut être qu'un essai préalable panneau fixe donnerait une réponse.
    Pour info ,quel était la ref des diodes utilisées #82 ?
    MM
    Dernière modification par mag1 ; 22/02/2026 à 15h25.
    Si il y a des erreurs ci dessus, c'est que je n'ai pas eu le temps de les corriger...

  13. #163
    patrick63730

    Re : suivi solaire simple

    Je n'ai plus la référence c'était il y a 10 ans des LEDs cristal haute sensibilité

  14. #164
    patrick63730

    Re : suivi solaire simple

    Michel de mémoire ce doit être celles ciNom : Capture d'écran 2026-02-22 232222.png
Affichages : 84
Taille : 36,9 Ko

  15. #165
    mag1

    Re : suivi solaire simple

    Citation Envoyé par patrick63730 Voir le message
    Michel de mémoire ce doit être celles ci
    SFH203 c'est une photodiode, ok, le terme LED m'avait intrigué...
    MM
    Si il y a des erreurs ci dessus, c'est que je n'ai pas eu le temps de les corriger...

  16. #166
    Gyrocompas

    Re : suivi solaire simple

    Bonjour,
    Peut être qu'un essai préalable
    L'article introduisait la base de réflexion, la quantité nécessaire en moyenne chaque jour, selon l'éventuelle saison favorisée.
    Il suffit que l'énergie captée se situe au dessus.

  17. #167
    patrick63730

    Re : suivi solaire simple

    Pourtant elles ressemblent à des LEDs
    Et non a des photodiodes, le système était parfaitement opérationnel, juste un peut trop sensible les mouvements étaient incessants

    IMG_20260223_075438_2.jpg

    IMG_20260223_075525_2.jpg
    Dernière modification par gienas ; 23/02/2026 à 09h33. Motif: Rapatrié les images qui DOIVENT être sur le serveur

  18. #168
    titijoy3

    Re : suivi solaire simple

    les leds cristal sont parfaitement utilisables pour cette application, idem pour 2N222 (ou autre transistor même boitier) décalotté
    Dernière modification par titijoy3 ; 23/02/2026 à 09h54.
    Maaaagnifiiiiique ! tout ça n'a aucune importance..

  19. #169
    mag1

    Re : suivi solaire simple

    Citation Envoyé par patrick63730 Voir le message
    Pourtant elles ressemblent à des LEDs
    Bonjour,
    Oui, les deux sont apparemment identiques, sauf que l'une est utilisée en émetteur, l'autre en récepteur.
    C'est une alternative aux LDR à terter.
    L’instabilité que tu as constaté avec les leds était sans doute liée à un manque d'hystérésis et un cloisonnement insuffisant.
    MM
    Si il y a des erreurs ci dessus, c'est que je n'ai pas eu le temps de les corriger...

  20. #170
    Pascal071

    Re : suivi solaire simple

    Bonjour

    comme dit par titijoy3, des leds transparentes peuvent fournir un très faible courant avec la lumière.
    d'ailleurs l'article d'origine utilise des Leds:
    Nom : Screenshot 2026-02-23- doctsf.png
Affichages : 69
Taille : 54,4 Ko
    Dernière modification par Pascal071 ; 23/02/2026 à 11h25.
    Pascal

  21. #171
    polo974

    Re : suivi solaire simple

    Citation Envoyé par patrick63730 Voir le message
    Pourtant elles ressemblent à des LEDs
    Toutes les 2 ont besoin d'un emballage transparent, il est donc assez normal de se retrouver avec le même genre d'encapsulation. La forme et la position du composant dans la forme définissent le diagramme de rayonnement ou de sensibilité (en gros, la directivité).

    ..., le système était parfaitement opérationnel, juste un peut trop sensible les mouvements étaient incessants
    Ça, c'est "juste" un problème de filtrage temporel (condo ou tempo et moyennage) et de "zone morte" dans le comparateur (donc à 2 seuils). Par exemple une zone morte de +/- 10° fait perdre à peine 1.5% au max...
    On peut aussi définir plusieurs seuils selon qu'on va "en avant" (d'est vers ouest) ou "en arrière" (d'ouest vers est, moins normal mais pouvant résulter d'un passage d'un gros nuage à l'est).


    edit: attention, ici, c'est pas d’hystérésis (trigger de schmitt) mais de zone morte qu'on a besoin...
    Dernière modification par polo974 ; 23/02/2026 à 12h06.
    Jusqu'ici tout va bien...

  22. #172
    titijoy3

    Re : suivi solaire simple

    l'avantage d'utiliser un relais pour le déplacement est l'hystérésis qu'il présente, les tensions de commutation et de coupure ne sont pas les mêmes, après, il ne faut pas que le déplacement soit trop brusque, j'ai eu ce souci avec ma cuisinière solaire, le premier moteur étant trop puissant et pas assez démultiplié, je me suis retrouvé avec la cuisinière qui se dandinait sur son pied
    Maaaagnifiiiiique ! tout ça n'a aucune importance..

  23. #173
    mag1

    Re : suivi solaire simple

    Citation Envoyé par polo974 Voir le message
    edit: attention, ici, c'est pas d’hystérésis (trigger de schmitt) mais de zone morte qu'on a besoin...
    Pour moi, l'hystérésis n'est pas lié obligatoirement à un trigger de schmitt, mais plus généralement à un écart entre les détections ON et OFF
    On peut appeler ça une "zone morte", c'est pareil.
    MM
    Si il y a des erreurs ci dessus, c'est que je n'ai pas eu le temps de les corriger...

  24. #174
    patrick63730

    Re : suivi solaire simple

    Bonjour j'ai regardé le temps nécessaire pour passer de la position horizontale a la position la plus basse il faut environ 12 secondes

  25. #175
    mag1

    Re : suivi solaire simple

    Citation Envoyé par patrick63730 Voir le message
    Bonjour j'ai regardé le temps nécessaire pour passer de la position horizontale a la position la plus basse il faut environ 12 secondes
    C'est peut être un peu rapide pour un positionnement fin haut/bas, a voir.
    MM
    Si il y a des erreurs ci dessus, c'est que je n'ai pas eu le temps de les corriger...

  26. #176
    polo974

    Re : suivi solaire simple

    Citation Envoyé par mag1 Voir le message
    Pour moi, l'hystérésis n'est pas lié obligatoirement à un trigger de schmitt, mais plus généralement à un écart entre les détections ON et OFF
    On peut appeler ça une "zone morte", c'est pareil.
    MM
    https://fr.wikipedia.org/wiki/Hyst%C3%A9r%C3%A9sis

    ben non, c'est pas pareil. en "zone morte", il n'y a aucune commande dans l'état médian, alors qu'en hystérésis, il y a une contre réaction positive qui renforce l'état courant.

    un hystérésis et une tempo créent une oscillation, ce qu'a plutôt tendance à empêcher une "zone morte".

    Citation Envoyé par patrick63730
    Bonjour j'ai regardé le temps nécessaire pour passer de la position horizontale a la position la plus basse il faut environ 12 secondes
    Il faut savoir de combien ça continue à bouger après la commande d'arrêt afin d'intégrer cette valeur dans la "zone morte" ou de compenser la mesure en tenant compte du sens de variation (je vais à droite, donc j'augmente "à droite" ma mesure pour anticiper le temps d'arrêt).
    Jusqu'ici tout va bien...

  27. #177
    patrick63730

    Re : suivi solaire simple

    l'arrêt est instantané lorsque je coupe l'alim du moteur cependant il subsiste un petit mouvement de balancement du a l'inertie de la masse en déplacement mais c'est minime, dans un premier temps j'essaierai comme cela et si il faut je trouverai un moyen de diminuer la vitesse

  28. #178
    mag1

    Re : suivi solaire simple

    Citation Envoyé par polo974 Voir le message
    [url]
    ben non, c'est pas pareil. en "zone morte", il n'y a aucune commande dans l'état médian, alors qu'en hystérésis, il y a une contre réaction positive qui renforce l'état courant.
    Ok polo, on l'appelle zone morte et on en parle plus...
    MM
    Si il y a des erreurs ci dessus, c'est que je n'ai pas eu le temps de les corriger...

  29. #179
    patrick63730

    Re : suivi solaire simple

    Bonjour , Forhorse toi qui utilise easy EDA j'ai besoin d'aide j'ai commencé a créer ma bibliothèque j'ai fait un schéma, les précédents étaient fats avec des symboles génériques, j'ai fait mon pcb mais je n'ai pas la sérigraphie correspondant a mon schéma seulement les numéros de composants dont je n'ai pas besoin, que faut il faire pour les faire apparaitre et comment est ce que je fait pour modifier la taille des empreintes et des pastilles

  30. #180
    patrick63730

    Re : suivi solaire simple

    j'ai encore oublié les pièces jointes
    Images attachées Images attachées

Page 6 sur 18 PremièrePremière 6 DernièreDernière

Discussions similaires

  1. Suivi solaire mécanique par engrenages
    Par Paillafond dans le forum Technologies
    Réponses: 50
    Dernier message: 26/06/2020, 06h34
  2. Four solaire : Suivi de soleil
    Par invite7a7eaad2 dans le forum Physique
    Réponses: 1
    Dernier message: 15/02/2016, 10h12
  3. Suivi du soleil pour un cuiseur solaire
    Par invite0d620a44 dans le forum Électronique
    Réponses: 46
    Dernier message: 30/01/2011, 18h13
  4. suivi de panneau solaire par PC
    Par invitea98cd54f dans le forum Logiciel - Software - Open Source
    Réponses: 7
    Dernier message: 21/02/2010, 06h53
  5. suivi solaire
    Par invite2c4e1648 dans le forum Électronique
    Réponses: 3
    Dernier message: 07/04/2005, 18h32
Dans la rubrique Tech de Futura, découvrez nos comparatifs produits sur l'informatique et les technologies : imprimantes laser couleur, casques audio, chaises gamer...