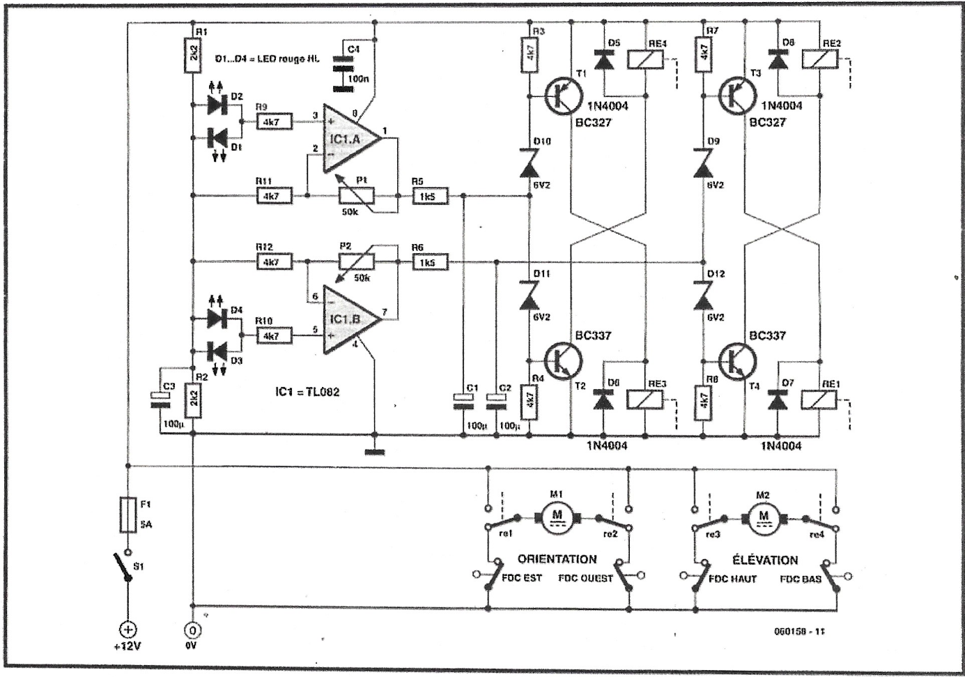
Bonjour je suis en passe de finaliser un projet attaqué il y as bien longtemps et depuis les conditions climatiques ont évoluées j'ai besoin aujourd'hui de rajouter un dispositif pour mettre les panneaux en position horizontale en cas de vent violent ,j'ai 20 m2 de panneaux thermiques donc sacré prise au vent, je pense qu'il faudrait un anémomètre qui commande cette mise a l'horizontale, mais je ne sais pas trop comment faire, ci joint le schéma de mon système depuis les choses ont évoluées la motorisation de l'axe horizontal est en 24 v, mais ce n'est qu'un détail. Pour la motorisation de la rotation je n'ai pas encore cherché, mais je fonctionne comme ça je fait comme ça vient et je trouve toujours une solution, il faut bien sur que la fonction anti tempête prenne la priorité sur le suivi, j'au rais bien sur une possibilité de gérer tout ça avec un picaxe mais mon système est efficace et a l'époque j'y ai passé pas mal de temps, si quelqu'un as une piste je suis preneur, je bricole un peut en électronique mais je ne suis pas un champion .
![]()
-----



